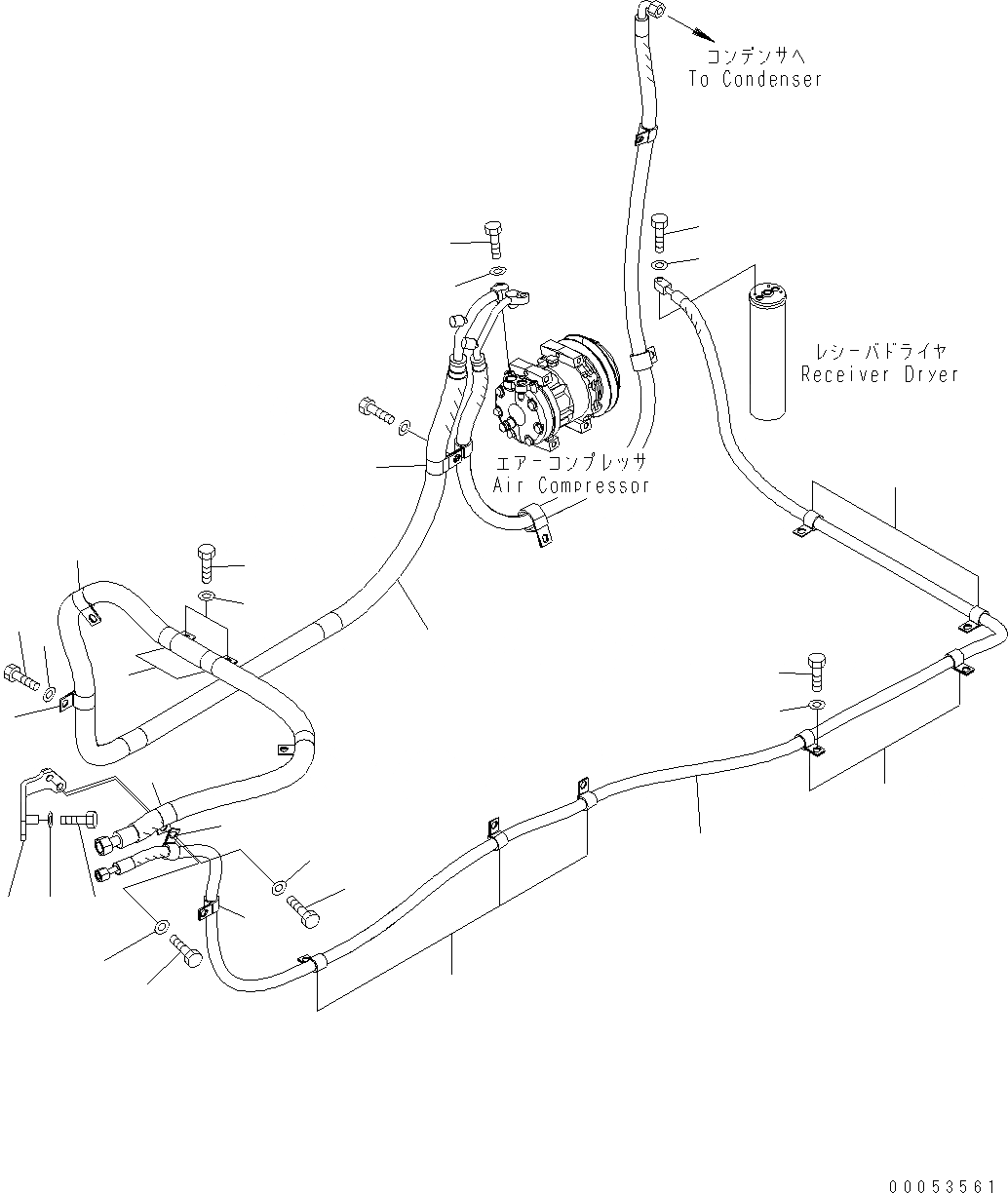
Запчасти Komatsu WA470-6 КОНДИЦ. ВОЗДУХА (КРЕПЛЕНИЕ КОНДЕНСАТОРА) K OPERATORґS ОБСТАНОВКА И СИСТЕМА УПРАВЛЕНИЯ

Схема запчастей Komatsu WA470-6 - КОНДИЦ. ВОЗДУХА (КРЕПЛЕНИЕ КОНДЕНСАТОРА) K OPERATORґS ОБСТАНОВКА И СИСТЕМА УПРАВЛЕНИЯ
15
12
15
15
16
17
15
19
18
15
7
8
10
11
9
4
5
6
4
4
4
5
6
1
4
2
3
13
14
FIT
1:1
100%

Артикул

Название

Примечание

Количество

1

421-S62-4140

HOSE

SN: H50051-H50879

1шт.

|$2

AN51439-D0051

O-RING

SN: H50051-@

2шт.

2

01016-50830

BOLT

SN: H50051-@

1шт.

3

01643-30823

WASHER

SN: H50051-@

1шт.

4

04434-52712

CLIP

SN: H50051-H50879

6шт.

5

01010-81020

BOLT

SN: H50051-@

5шт.

6

01643-31032

WASHER

SN: H50051-@

5шт.

7

01010-81025

BOLT

SN: H50051-@

1шт.

8

01643-31032

WASHER

SN: H50051-@

1шт.

9

421-S62-4240

BRACKET

SN: H50051-H50879

1шт.

10

01010-81025

BOLT

SN: H50051-@

2шт.

11

01643-31032

WASHER

SN: H50051-@

2шт.

12

421-S62-4170

HOSE

SN: H50051-H50879

1шт.

|$14

AN51439-D0031

O-RING

SN: H50051-@

2шт.

13

01010-80630

BOLT

SN: H50051-@

1шт.

14

01643-30623

WASHER

SN: H50051-@

1шт.

15

04434-51910

CLIP

SN: H50051-@

9шт.

16

01010-81020

BOLT

SN: H50051-@

7шт.

17

01643-31032

WASHER

SN: H50051-@

7шт.

18

01010-81025

BOLT

SN: H50051-@

1шт.

19

01643-31032

WASHER

SN: H50051-@

1шт.

Выбрано товаров: 21