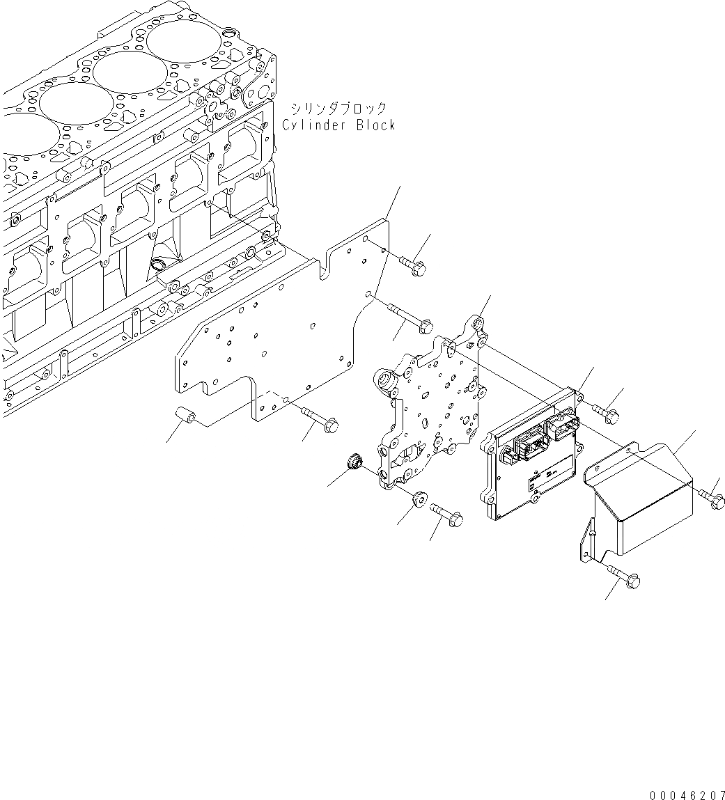
Запчасти Komatsu WA470-6 УПРАВЛЕНИЕ ПОДАЧ. ТОПЛИВА AA ДВИГАТЕЛЬ

Схема запчастей Komatsu WA470-6 - УПРАВЛЕНИЕ ПОДАЧ. ТОПЛИВА AA ДВИГАТЕЛЬ
4
7
9
9
10
12
3
5
8
1
2
11
13
6
FIT
1:1
100%

Артикул

Название

Примечание

Количество

1

600-461-1400

CONTROLLER ASSEMBLY

SN: 560347-UP

1шт.

2

01435-00840

BOLT

SN: 560347-UP

3шт.

3

6251-21-6210

BRACKET

SN: 560347-UP

1шт.

4

6251-21-6220

SPACER

SN: 560347-UP

1шт.

5

01435-01030

BOLT

SN: 560347-UP

3шт.

6

01435-01085

BOLT

SN: 560347-UP

4шт.

7

01435-01060

BOLT

SN: 560347-UP

1шт.

8

6251-81-7110

CASE

SN: 560347-UP

1шт.

9

6251-81-7210

CUSHION

SN: 560347-UP

8шт.

10

01435-01050

BOLT

SN: 560347-UP

4шт.

11

6261-81-7330

COVER

SN: 560347-UP

1шт.

12

01435-00845

BOLT

SN: 560347-UP

2шт.

13

01435-00820

BOLT

SN: 560347-UP

2шт.

Выбрано товаров: 13