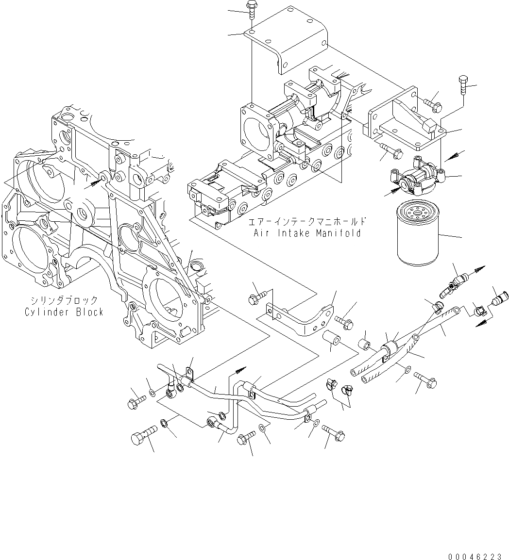
Запчасти Komatsu WA470-6 АНТИКОРРОЗ. ЭЛЕМЕНТ AA ДВИГАТЕЛЬ

Схема запчастей Komatsu WA470-6 - АНТИКОРРОЗ. ЭЛЕМЕНТ AA ДВИГАТЕЛЬ
7
6
11
9
8
1
10
2
29
29
23
23
21
22
28
27
5
3
4
26
25
24
20
23
19
18
16
18
17
12
14
15
14
13
16
17
18
14
16
a
a
b
b
c
c
FIT
1:1
100%

Артикул

Название

Примечание

Количество

|$1

6150-61-8172

RESISTOR ASSEMBLY, CORROSION

SN: 560347-UP

1шт.

1

6150-61-8211

HEAD

SN: 560347-UP

1шт.

2

600-411-1151

CARTRIDGE

SN: 560347-UP

1шт.

3

6251-61-8280

BRACKET

SN: 560347-UP

1шт.

4

01435-01030

BOLT

SN: 560347-UP

1шт.

5

01435-01035

BOLT

SN: 560347-UP

1шт.

6

6251-61-8170

BRACKET

SN: 560347-UP

1шт.

7

01435-01025

BOLT

SN: 560347-UP

4шт.

8

6251-61-8130

BRACKET

SN: 560347-UP

1шт.

9

01435-01030

BOLT

SN: 560347-UP

2шт.

10

01435-01040

BOLT

SN: 560347-UP

2шт.

11

02010-70632

BOLT

SN: 560347-UP

4шт.

12

6251-61-8160

TUBE, INLET

SN: 560347-UP

1шт.

13

6251-61-8270

TUBE, RETURN

SN: 560347-UP

1шт.

14

07005-01412

GASKET

SN: 560347-UP

4шт.

15

07206-31014

BOLT, JOINT

SN: 560347-UP

2шт.

16

600-051-6100

CLIP

SN: 560347-UP

3шт.

17

01435-01016

BOLT

SN: 560347-UP

2шт.

18

01643-31032

WASHER

SN: 560347-UP

3шт.

19

01435-01050

BOLT

SN: 560347-UP

1шт.

20

6144-11-5630

SPACER

SN: 560347-UP

1шт.

21

07260-20936

HOSE

SN: 560347-UP

1шт.

22

07260-20918

HOSE

SN: 560347-UP

1шт.

23

07281-00197

CLAMP

SN: 560347-UP

4шт.

24

07095-20314

CUSHION

SN: 560347-UP

1шт.

25

04434-52110

CLIP

SN: 560347-UP

1шт.

26

6631-11-5630

SPACER

SN: 560347-UP

1шт.

27

01435-01040

BOLT

SN: 560347-UP

1шт.

28

01643-31032

WASHER

SN: 560347-UP

1шт.

29

6150-61-8411

VALVE, WATER

SN: 560347-UP

2шт.

Выбрано товаров: 30