Запчасти Komatsu WA470-6A ДВИГАТЕЛЬ ПРОВОДКА, ИНДИКАТОР ПЫЛИ (№9-) ДВИГАТЕЛЬ ПРОВОДКА, С KOMTRAX, 7AMP. ГЕНЕРАТОР

Схема запчастей Komatsu WA470-6A - ДВИГАТЕЛЬ ПРОВОДКА, ИНДИКАТОР ПЫЛИ (№9-) ДВИГАТЕЛЬ ПРОВОДКА, С KOMTRAX, 7AMP. ГЕНЕРАТОР
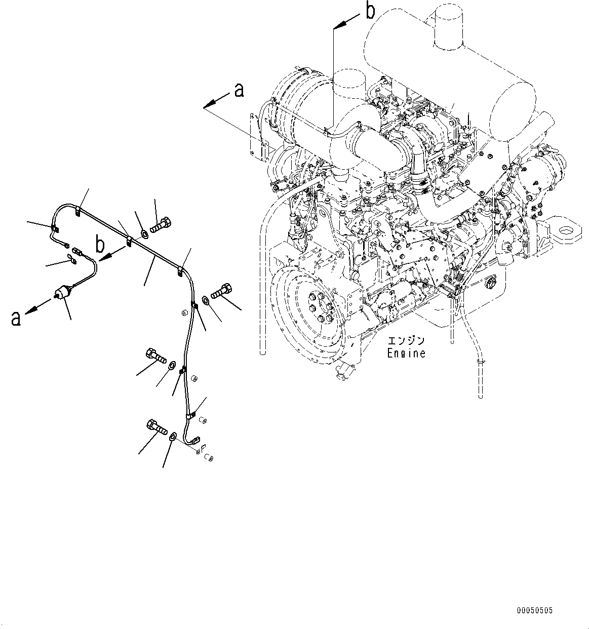
7
8
6
1
2
4
3
5
7
8
6
8
7
6
6
6
6
6
FIT
1:1
100%

Артикул

Название

Примечание

Количество

1

600-815-8860

Indicator, Dust

SN: 90216-UP

1шт.

2

421-06-41310

Wiring Harness

SN: 90216-UP

1шт.

3

08193-20010

Clip

SN: 90216-UP

1шт.

4

01010-81016

Bolt

SN: 90216-UP

1шт.

5

01643-31032

Washer

SN: 90216-UP

1шт.

6

04434-51010

Clip

SN: 90216-UP

7шт.

7

01010-81016

Bolt

SN: 90216-UP

4шт.

8

01643-31032

Washer

SN: 90216-UP

4шт.

Выбрано товаров: 8