Запчасти Komatsu WA470-6A ГИДРОТРАНСФОРМАТОР И ТРАНСМИССИЯ, УПРАВЛЯЮЩ. КЛАПАН (/7) (№9-) ГИДРОТРАНСФОРМАТОР И ТРАНСМИССИЯ, БЕЗ БЛОКИР.UP ТИП

Схема запчастей Komatsu WA470-6A - ГИДРОТРАНСФОРМАТОР И ТРАНСМИССИЯ, УПРАВЛЯЮЩ. КЛАПАН (/7) (№9-) ГИДРОТРАНСФОРМАТОР И ТРАНСМИССИЯ, БЕЗ БЛОКИР.UP ТИП
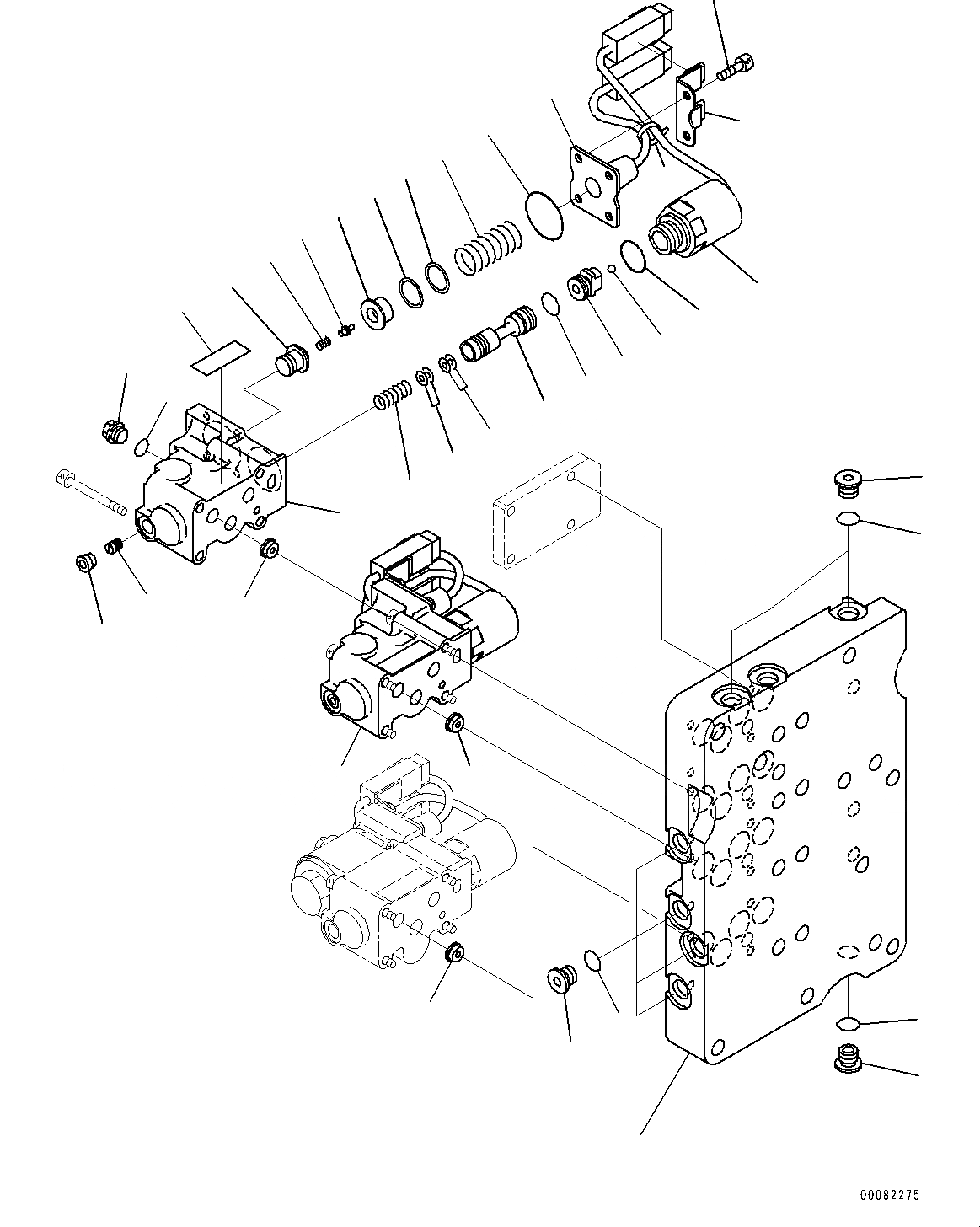
26
20
19
17
18
6
30
28
29
12
13
14
11
9
7
8
10
23
22
15
27
24
5
21
16
3
2
25
5
1
3
2
31
2
3
4
4
4
FIT
1:1
100%

Артикул

Название

Примечание

Количество

|$0

714-07-40001

Transmission Assembly

SN: 90784-UP

1шт.

|$1

714-07-40000

Transmission Assembly

SN: 90216-90783

1шт.

|$2

714-07-45200

Valve Assembly

SN: 90216-UP

1шт.

1

714-07-45121

Seat, Valve

SN: 90216-UP

1шт.

2

708-7R-11220

Plug

SN: 90216-UP

8шт.

3

07002-61223

O-ring, (Kit : K06)

SN: 90216-UP

8шт.

4

714-07-35180

Orifice

SN: 90216-UP

3шт.

4

56D-15-35701

ECMV Assembly

SN: 91049-UP

2шт.

4

56D-15-35700

ECMV Assembly

SN: 90901-91048

2шт.

4

714-07-45500

ECMV Group

SN: 90216-90900

2шт.

5

Body

SN: 90216-UP

1шт.

6

Solenoid Assembly

SN: 90901-UP

1шт.

6

Solenoid

SN: 90216-90900

1шт.

7

Valve

SN: 90216-UP

1шт.

8

Ball

SN: 90216-UP

1шт.

9

O-ring

SN: 90216-UP

1шт.

10

O-ring

SN: 90216-UP

1шт.

11

Spool

SN: 90216-UP

1шт.

12

Spring, L=24.5mm

SN: 90216-UP

1шт.

13

Shim, T=0.50mm

SN: 90216-UP

3шт.

14

Shim, T=0.20mm

SN: 90216-UP

3шт.

15

Plug

SN: 90216-UP

1шт.

16

Switch Assembly

SN: 90216-UP

1шт.

17

Spring

SN: 90216-UP

1шт.

18

Shim, T=0.50mm

SN: 90216-UP

2шт.

19

Shim, T=0.20mm

SN: 90216-UP

1шт.

20

Seat, Spring

SN: 90216-UP

1шт.

21

Pin

SN: 90216-UP

1шт.

22

Spring, L=18.0mm

SN: 90216-UP

1шт.

23

Sleeve

SN: 90216-UP

1шт.

24

01252-90510

Bolt, Hexagon Socket Head

SN: 90901-UP

4шт.

24

01252-60510

Bolt

SN: 90216-90900

4шт.

25

714-23-15690

Bracket

SN: 90216-UP

1шт.

26

O-ring

SN: 90216-UP

1шт.

27

Plug

SN: 90216-UP

1шт.

28

708-8E-16150

Plug

SN: 90216-UP

1шт.

29

07002-61023

O-ring, (Kit : K06)

SN: 90216-UP

1шт.

30

700-11-31940

Plate, Name (Limited Supply)

SN: 90216-UP

1шт.

31

Band, White

SN: 90216-UP

1шт.

Выбрано товаров: 39