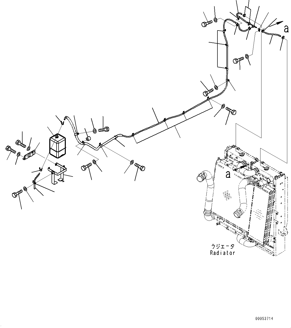
Запчасти Komatsu WA470-6A РАДИАТОР, SUB-БАК (№9-) РАДИАТОР, С КОНДИЦИОНЕРОМ

Схема запчастей Komatsu WA470-6A - РАДИАТОР, SUB-БАК (№9-) РАДИАТОР, С КОНДИЦИОНЕРОМ
1
2
3
4
5
6
7
8
9
10
11
12
13
17
16
19
20
21
24
25
26
27
12
13
17
19
19
19
13
12
17
17
12
15
14
13
18
13
22
23
20
17
18
12
18
18
FIT
1:1
100%

Артикул

Название

Примечание

Количество

1

421-03-31181

Tank

SN: 90216-UP

1шт.

2

421-03-41610

Bracket

SN: 90216-UP

1шт.

3

01010-81025

Bolt

SN: 90216-UP

2шт.

4

01643-31032

Washer

SN: 90216-UP

2шт.

5

424-03-41440

Bracket

SN: 90216-UP

1шт.

6

04434-51210

Clip

SN: 90216-UP

1шт.

7

01010-81020

Bolt

SN: 90216-UP

1шт.

8

01643-31032

Washer

SN: 90216-UP

1шт.

9

01010-80820

Bolt

SN: 90216-UP

2шт.

10

01643-30823

Washer

SN: 90216-UP

2шт.

11

417-03-21150

Hose

SN: 90216-UP

1шт.

12

01010-81020

Bolt

SN: 90216-UP

4шт.

13

01643-31032

Washer

SN: 90216-UP

4шт.

14

01010-81040

Bolt

SN: 90216-UP

1шт.

15

01643-31032

Washer

SN: 90216-UP

1шт.

16

175-79-83760

Spacer

SN: 90216-UP

1шт.

17

04434-51210

Clip

SN: 90216-UP

10шт.

18

04434-52312

Clip

SN: 90216-UP

4шт.

19

07285-00115

Clip

SN: 90216-UP

5шт.

20

206-03-43340

Clip

SN: 90216-UP

2шт.

21

04434-50810

Clip

SN: 90216-UP

1шт.

22

01010-D1030

Bolt

SN: 90216-UP

1шт.

23

01643-71032

Washer

SN: 90216-UP

1шт.

24

421-03-41340

Joint

SN: 90216-UP

1шт.

25

421-03-41810

Hose

SN: 90216-UP

1шт.

26

421-03-41820

Hose

SN: 90216-UP

1шт.

27

421-03-41831

Hose

SN: 90216-UP

1шт.

Выбрано товаров: 27