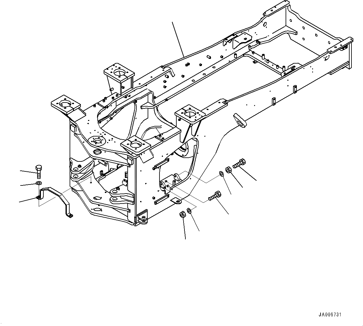
Запчасти Komatsu WA470-6A ЗАДН. РАМА (№9-) ЗАДН. РАМА, С ТОРМОЗ. МАСЛ. СИСТЕМА ОХЛАЖДЕНИЯ

Схема запчастей Komatsu WA470-6A - ЗАДН. РАМА (№9-) ЗАДН. РАМА, С ТОРМОЗ. МАСЛ. СИСТЕМА ОХЛАЖДЕНИЯ
2
3
4
5
7
6
5
6
7
1
FIT
1:1
100%

Артикул

Название

Примечание

Количество

1

421-U44-4290

Frame,Rear

SN: 90216-UP

1шт.

2

421-46-42160

Guard

SN: 90216-UP

1шт.

3

01010-81640

Bolt

SN: 90216-UP

2шт.

4

01643-31645

Washer

SN: 90216-UP

2шт.

5

01016-52080

Bolt

SN: 90216-UP

4шт.

6

01643-32060

Washer

SN: 90216-UP

4шт.

7

01580-12016

Nut

SN: 90216-UP

4шт.

Выбрано товаров: 7