Запчасти Komatsu WA470-6A УДАЛЕНН. СИСТ. СМАЗКИ СИСТЕМА, СМАЗ. ФИТТИНГ (№9-) УДАЛЕНН. СИСТ. СМАЗКИ СИСТЕМА, С ТОРМОЗ. МАСЛ. СИСТЕМА ОХЛАЖДЕНИЯ

Схема запчастей Komatsu WA470-6A - УДАЛЕНН. СИСТ. СМАЗКИ СИСТЕМА, СМАЗ. ФИТТИНГ (№9-) УДАЛЕНН. СИСТ. СМАЗКИ СИСТЕМА, С ТОРМОЗ. МАСЛ. СИСТЕМА ОХЛАЖДЕНИЯ
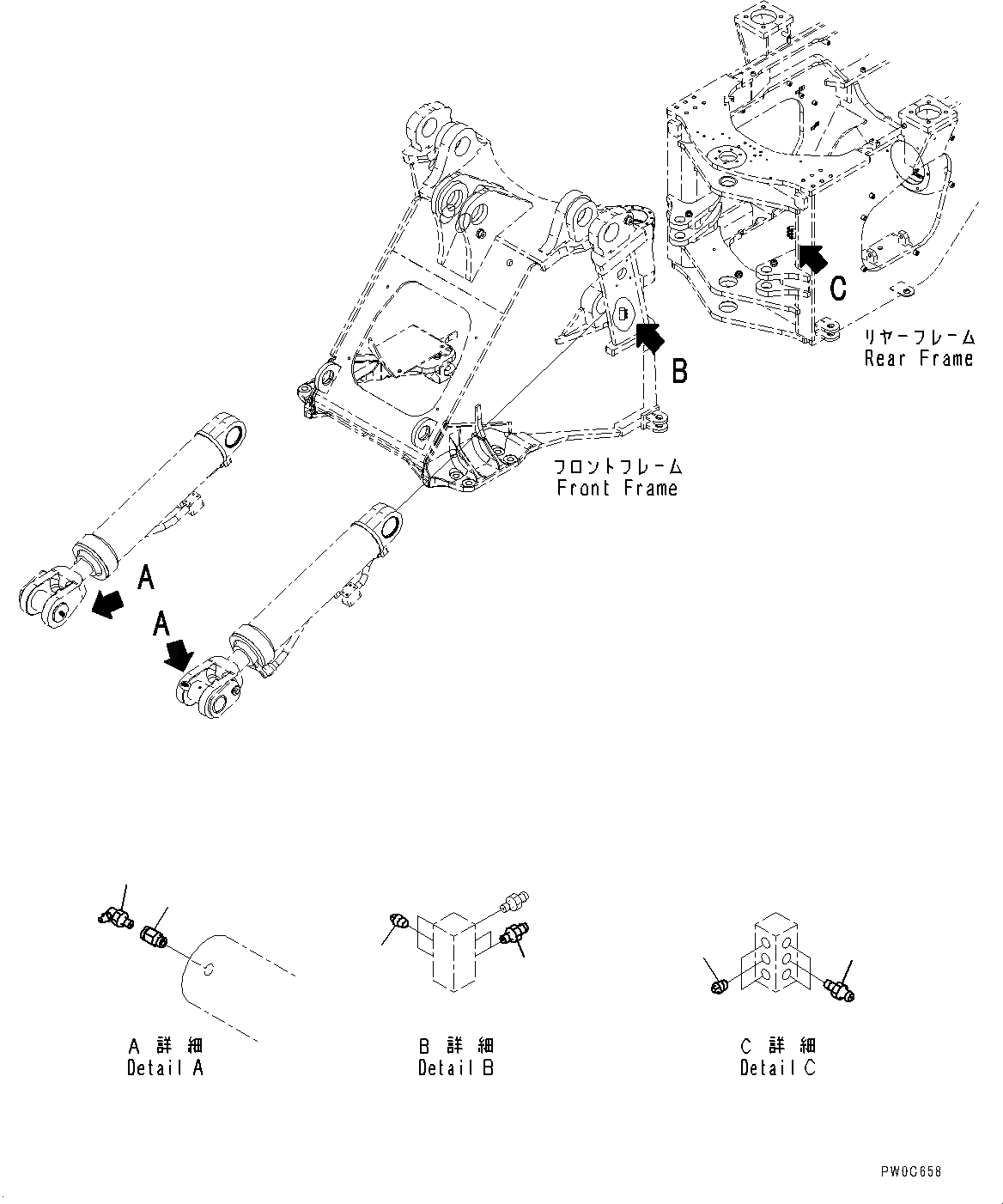
6
5
1
2
4
3
FIT
1:1
100%

Артикул

Название

Примечание

Количество

1

07042-70108

Plug

SN: 90216-UP

3шт.

2

07020-00000

Fitting, Grease

SN: 90216-UP

2шт.

3

07020-00000

Fitting, Grease

SN: 90216-UP

3шт.

4

07042-70108

Plug

SN: 90216-UP

3шт.

5

07020-00900

Fitting, Grease

SN: 90216-UP

2шт.

6

423-70-11160

Nipple

SN: 90216-UP

2шт.

Выбрано товаров: 6