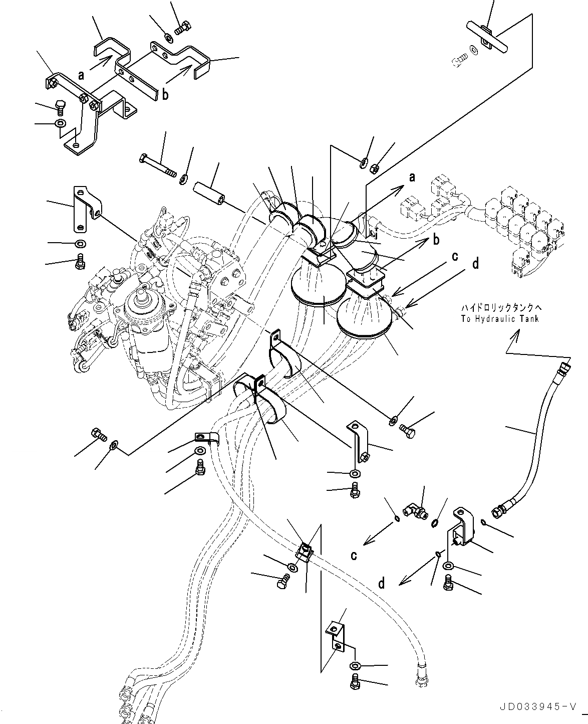
Запчасти Komatsu WA470-6A УПРАВЛЕНИЕ ПОГРУЗКОЙ БЛОК, PPC ТРУБЫ (/) (№9-) УПРАВЛЕНИЕ ПОГРУЗКОЙ БЛОК, С MULTI-FUNCTION MONO РЫЧАГ И -РЫЧАГ УПРАВЛ. НАВЕСН. ОБОРУД.

Схема запчастей Komatsu WA470-6A - УПРАВЛЕНИЕ ПОГРУЗКОЙ БЛОК, PPC ТРУБЫ (/) (№9-) УПРАВЛЕНИЕ ПОГРУЗКОЙ БЛОК, С MULTI-FUNCTION MONO РЫЧАГ И -РЫЧАГ УПРАВЛ. НАВЕСН. ОБОРУД.
8
9
16
11
12
15
5
7
6
7
10
13
17
18
28
31
17
18
19
19
32
29
14
14
2
1
4
3
26
27
30
23
24
40
41
39
23
23
24
25
25
44
45
45
37
38
20
21
22
34
34
33
35
36
42
43
FIT
1:1
100%

Артикул

Название

Примечание

Количество

1

20Y-62-15960

Clip

SN: 90216-UP

1шт.

2

419-09-11150

Clip

SN: 90216-UP

1шт.

3

423-43-48110

Rubber

SN: 90216-UP

1шт.

4

418-62-32180

Rubber

SN: 90216-UP

1шт.

5

01011-81000

Bolt

SN: 90216-UP

1шт.

6

01580-11008

Nut

SN: 90216-UP

1шт.

7

01643-31032

Washer

SN: 90216-UP

2шт.

8

423-43-48460

Bracket

SN: 90216-UP

1шт.

9

01010-81025

Bolt

SN: 90216-UP

2шт.

10

01643-31032

Washer

SN: 90216-UP

2шт.

11

423-43-48340

Plate

SN: 90216-UP

1шт.

12

01010-81030

Bolt

SN: 90216-UP

2шт.

13

01643-31032

Washer

SN: 90216-UP

2шт.

14

423-43-48161

Cushion

SN: 90216-UP

2шт.

15

561-43-43390

Spacer

SN: 90216-UP

1шт.

16

423-877-4860

Plate

SN: 90216-UP

1шт.

17

361-62-21111

Bracket

SN: 90216-UP

2шт.

18

01010-81020

Bolt

SN: 90216-UP

2шт.

19

01643-31032

Washer

SN: 90216-UP

2шт.

20

423-43-48470

Bracket

SN: 90216-UP

1шт.

21

01010-81020

Bolt

SN: 90216-UP

1шт.

22

01643-31032

Washer

SN: 90216-UP

1шт.

23

21K-03-11190

Clip

SN: 90216-UP

3шт.

24

01010-81020

Bolt

SN: 90216-UP

2шт.

25

01643-31032

Washer

SN: 90216-UP

2шт.

26

04434-52112

Clip

SN: 90216-UP

1шт.

27

07095-20314

Cushion

SN: 90216-UP

1шт.

28

01010-81020

Bolt

SN: 90216-UP

1шт.

29

01643-31032

Washer

SN: 90216-UP

1шт.

30

04434-51510

Clip

SN: 90216-UP

1шт.

31

01010-81020

Bolt

SN: 90216-UP

1шт.

32

01643-31032

Washer

SN: 90216-UP

1шт.

33

421-877-4150

Tee

SN: 90216-UP

1шт.

34

02896-11008

O-ring

SN: 90216-UP

2шт.

35

01010-81020

Bolt

SN: 90216-UP

1шт.

36

01643-31032

Washer

SN: 90216-UP

1шт.

37

423-43-38320

Grommet

SN: 90216-UP

1шт.

38

423-V91-4290

Grommet

SN: 90216-UP

1шт.

39

02782-10210

Elbow

SN: 90216-UP

1шт.

40

02896-11008

O-ring

SN: 90216-UP

1шт.

41

07002-11423

O-ring

SN: 90216-UP

1шт.

42

02760-00204

Hose, Face Seal Type

SN: 90216-UP

1шт.

43

421-V91-4150

Guide

SN: 90216-UP

1шт.

44

423-06-42740

Sheet

SN: 90216-UP

1шт.

45

08034-20536

Band

SN: 90216-UP

2шт.

Выбрано товаров: 45