Запчасти Komatsu WA470-6A ЭЛЕКТРИЧ. CONVERTER ДЛЯ VOLT ИСТОЧНИК ТОКА (№9-) ЭЛЕКТРИЧ. CONVERTER ДЛЯ VOLT ИСТОЧНИК ТОКА

Схема запчастей Komatsu WA470-6A - ЭЛЕКТРИЧ. CONVERTER ДЛЯ VOLT ИСТОЧНИК ТОКА (№9-) ЭЛЕКТРИЧ. CONVERTER ДЛЯ VOLT ИСТОЧНИК ТОКА
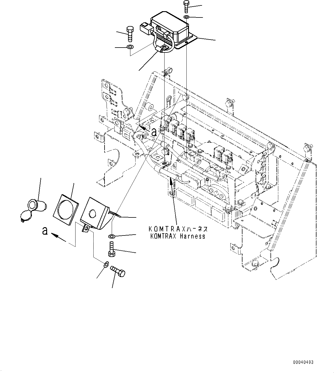
1
2
3
4
5
6
7
8
9
10
11
6
7
FIT
1:1
100%

Артикул

Название

Примечание

Количество

1

22U-06-22251

Converter

SN: 90216-UP

1шт.

2

01010-80616

Bolt

SN: 90216-UP

2шт.

3

01643-30623

Washer

SN: 90216-UP

2шт.

4

198-Z11-2640

Socket Assembly

SN: 90216-UP

1шт.

5

423-06-42611

Bracket

SN: 90216-UP

1шт.

6

01010-81020

Bolt

SN: 90216-UP

2шт.

7

01643-31032

Washer

SN: 90216-UP

2шт.

8

423-06-42871

Sheet

SN: 90216-UP

1шт.

9

04434-50810

Clip

SN: 90216-UP

1шт.

10

01010-81020

Bolt

SN: 90216-UP

1шт.

11

01643-31032

Washer

SN: 90216-UP

1шт.

Выбрано товаров: 11