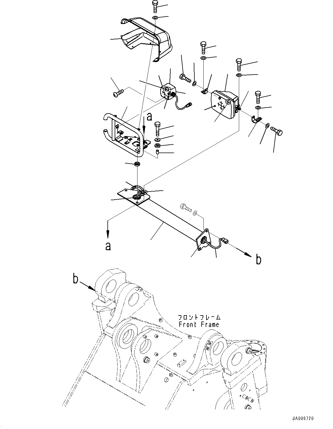
Запчасти Komatsu WA470-6A ПЕРЕДН. ОСВЕЩЕНИЕ, ПРАВ. (№9-) ПЕРЕДН. ОСВЕЩЕНИЕ

Схема запчастей Komatsu WA470-6A - ПЕРЕДН. ОСВЕЩЕНИЕ, ПРАВ. (№9-) ПЕРЕДН. ОСВЕЩЕНИЕ
25
24
23
22
21
17
16
7
30
8
20
6
18
8
32
19
7
31
18
4
5
19
9
11
12
15
13
26
27
28
10
1
2
29
1
14
3
FIT
1:1
100%

Артикул

Название

Примечание

Количество

1

424-06-43151

Wiring Harness

SN: 90435-UP

1шт.

2

421-06-43120

Support,R.H.

SN: 90435-UP

1шт.

3

08037-03614

Grommet

SN: 90435-UP

1шт.

4

423-06-43140

Bracket

SN: 90435-UP

1шт.

5

421-06-23552

Plate

SN: 90435-UP

1шт.

6

421-06-23640

Plate

SN: 90435-UP

1шт.

7

01010-81025

Bolt

SN: 90435-UP

2шт.

8

01643-31032

Washer

SN: 90435-UP

2шт.

9

417-54-13470

Spacer

SN: 90435-UP

3шт.

10

419-43-17930

Cushion

SN: 90435-UP

3шт.

11

415-64-13130

Cushion

SN: 90435-UP

3шт.

12

419-43-17920

Washer

SN: 90435-UP

3шт.

13

01010-81250

Bolt

SN: 90435-UP

3шт.

14

08037-03614

Grommet

SN: 90435-UP

1шт.

15

424-06-43211

Lamp

SN: 90435-UP

1шт.

16

424-06-23220

Lens, Clear

SN: 90435-UP

1шт.

17

424-06-23230

Bulb, 75/70watt

SN: 90435-UP

1шт.

18

01010-80825

Bolt

SN: 90435-UP

2шт.

19

01602-20825

Washer

SN: 90435-UP

2шт.

20

424-06-43221

Lamp

SN: 90435-UP

1шт.

21

41G-06-13210

Lens, Orange

SN: 90435-UP

1шт.

22

41G-06-13220

Lens, Orange

SN: 90435-UP

1шт.

23

41G-06-13230

Bulb, 5watt

SN: 90435-UP

1шт.

24

08105-12420

Bulb, 25watt

SN: 90435-UP

1шт.

25

01220-40425

Screw

SN: 90435-UP

4шт.

26

421-06-23621

Cover

SN: 90435-UP

1шт.

27

01010-80616

Bolt

SN: 90435-UP

5шт.

28

01643-30623

Washer

SN: 90435-UP

5шт.

29

04434-51010

Clip

SN: 90435-UP

1шт.

30

04434-50610

Clip

SN: 90435-UP

1шт.

31

01010-80820

Bolt

SN: 90435-UP

1шт.

32

01643-30823

Washer

SN: 90435-UP

1шт.

Выбрано товаров: 0