Запчасти Komatsu WA470-7 КОРПУС АККУМУЛЯТОРА, DISCONNECT ПЕРЕКЛЮЧАТЕЛЬ (№-) КОРПУС АККУМУЛЯТОРА, ДЛЯ СТРАН ЕС ROAD REGULATION

Схема запчастей Komatsu WA470-7 - КОРПУС АККУМУЛЯТОРА, DISCONNECT ПЕРЕКЛЮЧАТЕЛЬ (№-) КОРПУС АККУМУЛЯТОРА, ДЛЯ СТРАН ЕС ROAD REGULATION
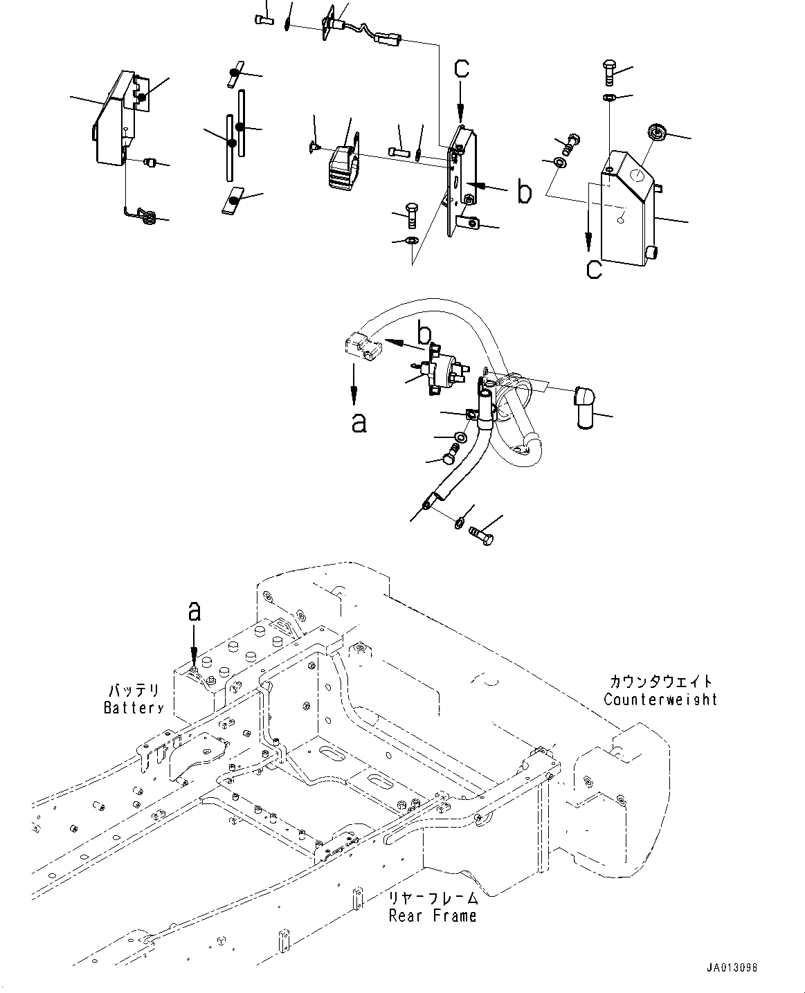
1
4
2
3
6
7
10
12
11
13
14
15
16
19
20
21
24
23
23
25
25
26
27
28
17
18
18
17
9
22
5
8
FIT
1:1
100%

Артикул

Название

Примечание

Количество

1

421-06-51160

Bracket

SN: 10001-UP

1шт.

2

01010-81020

Bolt

SN: 10001-UP

2шт.

3

01643-31032

Washer

SN: 10001-UP

2шт.

4

08068-00001

Switch, Battery

SN: 10001-UP

1шт.

5

01252-A0825

Bolt, Hexagon Socket Head

SN: 10001-UP

2шт.

6

01643-30823

Washer

SN: 10001-UP

2шт.

7

08155-02400

Lamp

SN: 10001-UP

1шт.

8

01252-A0820

Bolt, Hexagon Socket Head

SN: 10001-UP

2шт.

9

01643-30823

Washer

SN: 10001-UP

2шт.

10

421-06-51190

Cable

SN: 10001-UP

1шт.

11

01010-81016

Bolt

SN: 10001-UP

1шт.

12

01643-31032

Washer

SN: 10001-UP

1шт.

13

08038-00035

Cap, Terminal

SN: 10001-UP

2шт.

14

04434-52312

Clip

SN: 10001-UP

3шт.

15

01010-81025

Bolt

SN: 10001-UP

2шт.

16

01643-31032

Washer

SN: 10001-UP

2шт.

17

01010-81020

Bolt

SN: 10001-UP

2шт.

18

01643-31032

Washer

SN: 10001-UP

2шт.

19

415-54-11980

Cushion

SN: 10001-UP

2шт.

20

09467-00002

Spring

SN: 10001-UP

1шт.

21

2A5-06-11960

Cap

SN: 10001-UP

1шт.

22

20T-54-74510

Cap

SN: 10001-UP

2шт.

23

421-06-51590

Cover

SN: 10001-UP

1шт.

24

09455-13016

Hinge

SN: 10001-UP

1шт.

25

421-06-51220

Seal

SN: 10001-UP

2шт.

26

421-06-51230

Seal

SN: 10001-UP

1шт.

27

421-06-51810

Seal

SN: 10001-UP

1шт.

28

421-06-51490

Cap

SN: 10001-UP

1шт.

Выбрано товаров: 28