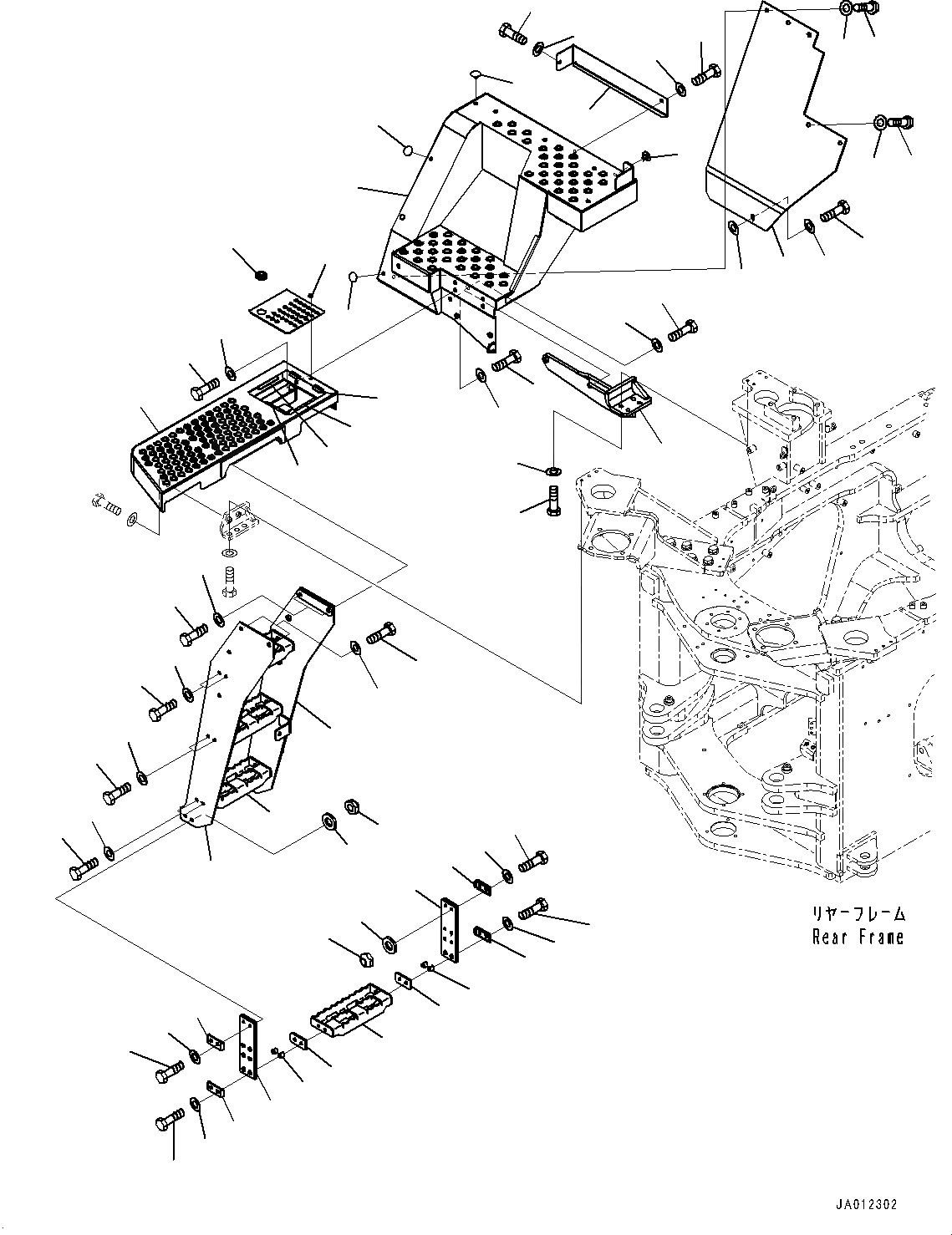
Запчасти Komatsu WA470-7 ЛЕСТНИЦА, ПОЛ И ЛЕСТНИЦА ПРАВ. (№7-) ЛЕСТНИЦА, БЕЗ ЗАДН. ПОЛН. КРЫЛО

Схема запчастей Komatsu WA470-7 - ЛЕСТНИЦА, ПОЛ И ЛЕСТНИЦА ПРАВ. (№7-) ЛЕСТНИЦА, БЕЗ ЗАДН. ПОЛН. КРЫЛО
21
37
38
9
9
10
10
19
19
19
1
2
3
4
5
6
7
12
13
14
15
16
17
18
20
21
23
23
24
24
25
26
27
27
28
28
29
30
30
30
31
31
31
32
33
34
35
36
37
38
39
40
41
42
39
40
34
35
36
33
22
41
42
18
18
34
34
11
8
17
FIT
1:1
100%

Артикул

Название

Примечание

Количество

1

421-54-54580

Floor

SN: 10001-UP

1шт.

2

423-54-44390

Hinge,Welded

SN: 10001-UP

2шт.

3

421-54-54450

Floor

SN: 10001-UP

1шт.

4

01010-D1235

Bolt

SN: 10001-UP

4шт.

5

01643-71232

Washer

SN: 10001-UP

4шт.

6

01010-D1025

Bolt

SN: 10001-UP

1шт.

7

01643-71032

Washer

SN: 10001-UP

1шт.

8

421-54-55550

Cover

SN: 10001-UP

1шт.

9

01010-D1020

Bolt

SN: 10001-UP

2шт.

10

01643-71032

Washer

SN: 10001-UP

2шт.

11

421-54-54880

Bracket

SN: 10001-UP

1шт.

12

01010-D1235

Bolt

SN: 10001-UP

4шт.

13

01643-71232

Washer

SN: 10001-UP

4шт.

14

01010-D1235

Bolt

SN: 10001-UP

2шт.

15

01643-71232

Washer

SN: 10001-UP

2шт.

16

09415-00506

Cap

SN: 10001-UP

1шт.

17

08037-02512

Grommet

SN: 10001-UP

1шт.

18

418-54-22190

Cushion

SN: 10001-UP

3шт.

19

426-56-21990

Plug

SN: 10076-UP

5шт.

20

421-54-54150

Sheet

SN: 10001-UP

1шт.

21

421-54-34550

Washer

SN: 10001-UP

2шт.

22

01010-D1025

Bolt

SN: 10001-UP

1шт.

23

01010-D1025

Bolt

SN: 10001-UP

5шт.

24

421-54-34550

Washer

SN: 10001-UP

5шт.

25

421-54-54210

Ladder

SN: 10001-UP

1шт.

26

421-54-54220

Ladder

SN: 10001-UP

1шт.

27

01010-D1235

Bolt

SN: 10001-UP

4шт.

28

01643-71232

Washer

SN: 10001-UP

4шт.

29

423-54-54971

Step

SN: 10004-UP

3шт.

30

01010-D1030

Bolt

SN: 10001-UP

12шт.

31

01643-71032

Washer

SN: 10001-UP

12шт.

32

423-54-54971

Step

SN: 10004-UP

1шт.

33

423-54-54310

Rubber

SN: 10001-UP

2шт.

34

428-T86-1650

Plate

SN: 10001-UP

4шт.

35

01010-D1045

Bolt

SN: 10001-UP

4шт.

36

01643-71032

Washer

SN: 10001-UP

4шт.

37

01010-D1050

Bolt

SN: 10001-UP

4шт.

38

01643-71032

Washer

SN: 10001-UP

4шт.

39

423-54-54280

Spacer

SN: 10001-UP

4шт.

40

423-54-54240

Plate

SN: 10001-UP

2шт.

41

423-54-54110

Nut

SN: 10001-UP

4шт.

42

01643-71032

Washer

SN: 10001-UP

4шт.

Выбрано товаров: 42