Запчасти Komatsu WA470-7 ПРОТИВОВЕС (№-) ПРОТИВОВЕС, ДЛЯ СТРАН ЕС ROAD REGULATION

Схема запчастей Komatsu WA470-7 - ПРОТИВОВЕС (№-) ПРОТИВОВЕС, ДЛЯ СТРАН ЕС ROAD REGULATION
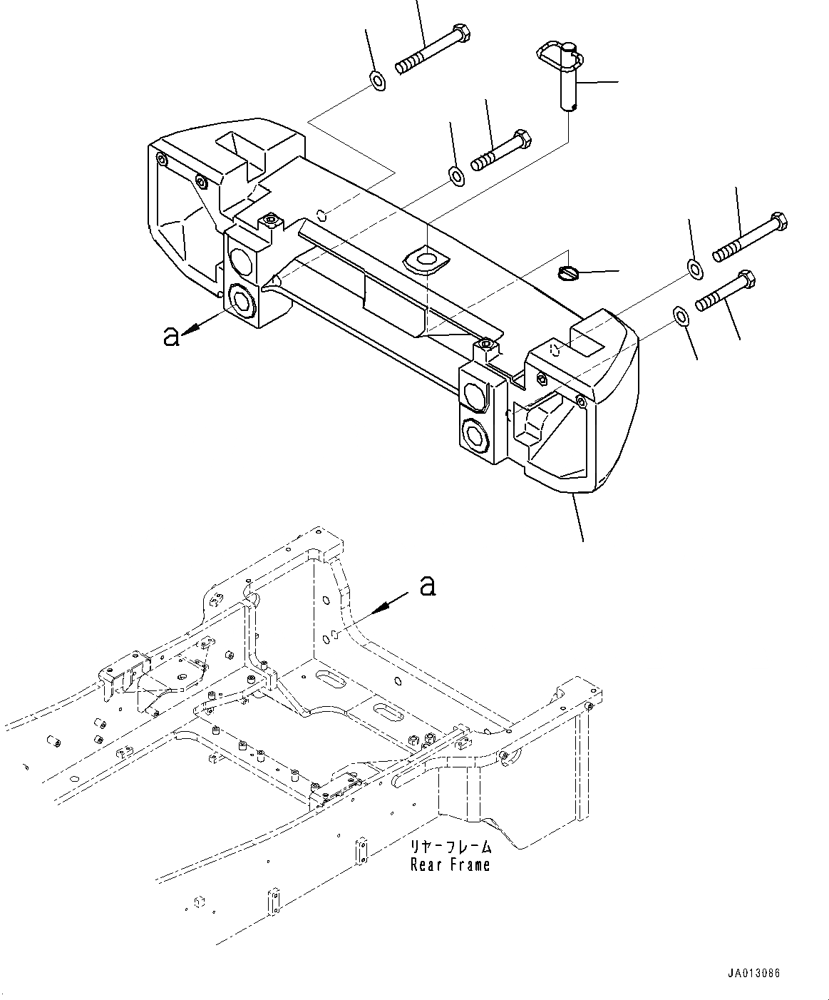
1
2
3
4
5
6
3
2
3
4
3
FIT
1:1
100%

Артикул

Название

Примечание

Количество

1

421-46-55170

Weight, 896Kg

SN: 10001-UP

1шт.

2

195-09-18112

Bolt

SN: 10001-UP

2шт.

3

01643-33080

Washer

SN: 10001-UP

4шт.

4

421-46-55310

Bolt

SN: 10001-UP

2шт.

5

421-46-55190

Pin

SN: 10001-UP

1шт.

6

426-46-12280

Pin, Linch

SN: 10001-UP

1шт.

Выбрано товаров: 6