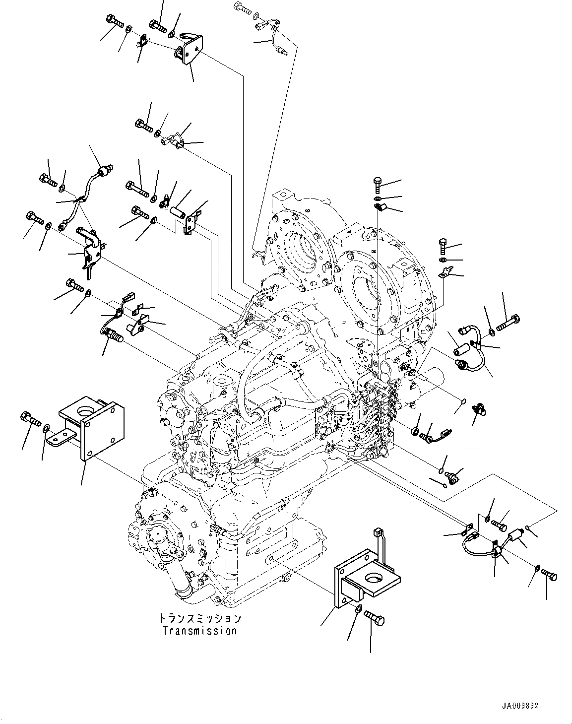
Запчасти Komatsu WA470-7 ГИДРОТРАНСФОРМАТОР И ТРАНСМИССИЯ, КРЕПЛЕНИЕ (№-) ГИДРОТРАНСФОРМАТОР И ТРАНСМИССИЯ, С КРЫШКА МАСЛОНАЛИВНОГО ПАТРУБКА БЛОКИРОВКА И КРЫШКИБЛОКИР.

Схема запчастей Komatsu WA470-7 - ГИДРОТРАНСФОРМАТОР И ТРАНСМИССИЯ, КРЕПЛЕНИЕ (№-) ГИДРОТРАНСФОРМАТОР И ТРАНСМИССИЯ, С КРЫШКА МАСЛОНАЛИВНОГО ПАТРУБКА БЛОКИРОВКА И КРЫШКИБЛОКИР.
21
22
23
20
5
13
12
16
5
26
27
17
25
24
18
13
12
7
8
30
31
32
3
11
4
13
12
1
12
13
2
4
3
16
19
15
14
12
13
9
11
10
45
44
6
40
33
28
29
37
36
34
33
40
43
42
43
41
35
42
22
23
38
39
FIT
1:1
100%

Артикул

Название

Примечание

Количество

1

421-01-51410

Bracket

SN: 10001-UP

1шт.

2

421-01-51420

Bracket

SN: 10001-UP

1шт.

3

01010-61650

Bolt

SN: 10001-UP

8шт.

4

01643-31645

Washer

SN: 10001-UP

8шт.

5

7861-93-3320

Sensor, Oil Temperature

SN: 10001-UP

2шт.

6

7861-93-2330

Sensor, Magnetic Pick-Up

SN: 10001-UP

1шт.

7

14Y-22-55510

Sensor, Pressure

SN: 10001-UP

1шт.

8

714-07-47340

Spacer

SN: 10001-UP

1шт.

9

418-43-37681

Switch, Pressure

SN: 10001-UP

1шт.

10

07002-61423

O-ring, (Kit : K01)

SN: 10001-UP

1шт.

11

08193-21012

Clip

SN: 10001-UP

4шт.

12

01010-81020

Bolt

SN: 10001-UP

10шт.

13

01643-31032

Washer

SN: 10001-UP

10шт.

14

04434-51610

Clip

SN: 10001-UP

1шт.

15

07095-20211

Cushion

SN: 10001-UP

1шт.

16

600-051-2060

Clip

SN: 10001-UP

2шт.

17

600-051-2160

Clip

SN: 10001-UP

1шт.

18

600-051-2190

Clip

SN: 10001-UP

3шт.

19

421-06-51570

Bracket

SN: 10001-UP

1шт.

20

421-62-55120

Bracket

SN: 10001-UP

1шт.

21

421-62-55130

Bracket

SN: 10001-UP

1шт.

22

01010-81025

Bolt

SN: 10001-UP

4шт.

23

01643-31032

Washer

SN: 10001-UP

4шт.

24

421-06-42470

Bracket

SN: 10001-UP

1шт.

25

6150-81-6940

Spacer

SN: 10001-UP

1шт.

26

01010-81075

Bolt

SN: 10001-UP

1шт.

27

01643-31032

Washer

SN: 10001-UP

1шт.

28

799-101-5220

Nipple

SN: 10001-UP

2шт.

29

07002-61023

O-ring, (Kit : K01)

SN: 10001-UP

2шт.

30

02782-1021A

Elbow

SN: 10001-UP

1шт.

31

07002-61423

O-ring, (Kit : K01)

SN: 10001-UP

1шт.

32

02896-61008

O-ring, (Kit : K01)

SN: 10001-UP

1шт.

33

56D-15-39910

Sensor, Pressure

SN: 10001-UP

2шт.

34

600-051-2100

Clip

SN: 10001-UP

1шт.

35

6150-81-6940

Spacer

SN: 10001-UP

1шт.

36

01010-81075

Bolt

SN: 10001-UP

1шт.

37

01643-31032

Washer

SN: 10001-UP

1шт.

38

01010-81020

Bolt

SN: 10001-UP

1шт.

39

01643-31032

Washer

SN: 10001-UP

1шт.

40

600-051-2100

Clip

SN: 10001-UP

2шт.

41

08193-20010

Clip

SN: 10001-UP

1шт.

42

01010-81020

Bolt

SN: 10001-UP

2шт.

43

01643-31032

Washer

SN: 10001-UP

2шт.

44

01010-81025

Bolt

SN: 10001-UP

1шт.

45

01643-31032

Washer

SN: 10001-UP

1шт.

Выбрано товаров: 45