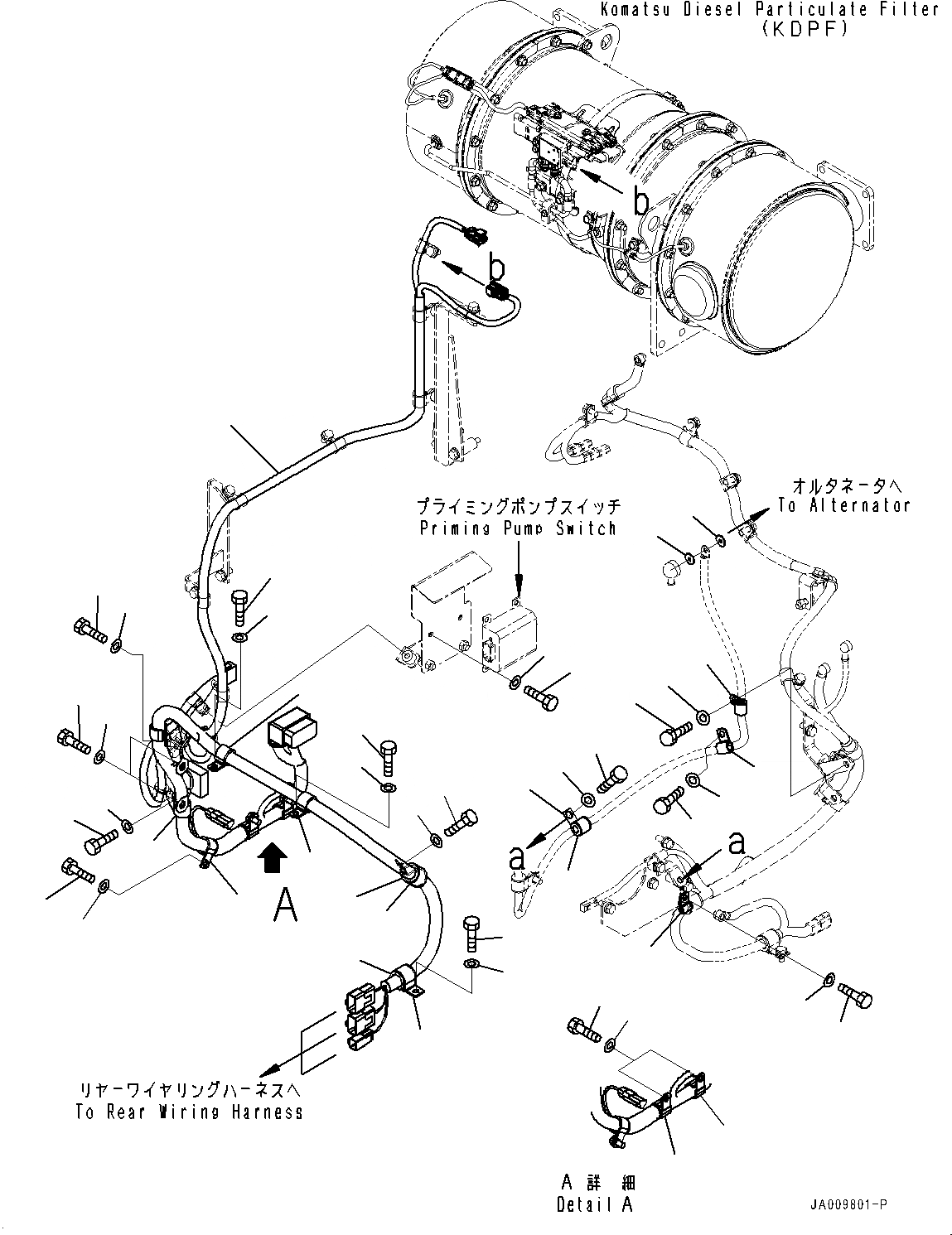
Запчасти Komatsu WA470-7 КОМПОНЕНТЫ ДВИГАТЕЛЯ, ДВИГАТЕЛЬ ПРОВОДКА (/) (№-) КОМПОНЕНТЫ ДВИГАТЕЛЯ, С AMP. ГЕНЕРАТОР

Схема запчастей Komatsu WA470-7 - КОМПОНЕНТЫ ДВИГАТЕЛЯ, ДВИГАТЕЛЬ ПРОВОДКА (/) (№-) КОМПОНЕНТЫ ДВИГАТЕЛЯ, С AMP. ГЕНЕРАТОР
1
4
5
4
5
7
8
8
7
9
10
16
15
11
12
13
14
14
13
28
29
24
23
20
19
19
20
26
27
2
3
3
2
6
6
6
6
17
17
21
22
18
18
25
6
6
FIT
1:1
100%

Артикул

Название

Примечание

Количество

1

421-06-52280

Wiring Harness

SN: 10001-UP

1шт.

2

04434-53211

Clip

SN: 10001-UP

2шт.

3

07095-20523

Cushion

SN: 10001-UP

2шт.

4

01010-81020

Bolt

SN: 10001-UP

2шт.

5

01643-31032

Washer

SN: 10001-UP

2шт.

6

600-051-2240

Clip

SN: 10001-UP

7шт.

7

01010-81020

Bolt

SN: 10001-UP

3шт.

8

01643-31032

Washer

SN: 10001-UP

3шт.

9

01010-81025

Bolt

SN: 10001-UP

1шт.

10

01643-31032

Washer

SN: 10001-UP

1шт.

11

01010-81030

Bolt

SN: 10001-UP

1шт.

12

01643-31032

Washer

SN: 10001-UP

1шт.

13

01010-81025

Bolt

SN: 10001-UP

2шт.

14

01643-31032

Washer

SN: 10001-UP

2шт.

15

01010-81425

Bolt

SN: 10001-UP

2шт.

16

01643-31445

Washer, Flat

SN: 10001-UP

2шт.

17

22W-70-16120

Washer

SN: 10001-UP

2шт.

18

600-051-2140

Clip

SN: 10001-UP

2шт.

19

01010-81020

Bolt

SN: 10001-UP

2шт.

20

01643-31032

Washer

SN: 10001-UP

2шт.

21

04434-52112

Clip

SN: 10001-UP

1шт.

22

07095-20314

Cushion

SN: 10001-UP

1шт.

23

01010-81020

Bolt

SN: 10001-UP

1шт.

24

01643-31032

Washer

SN: 10001-UP

1шт.

25

600-051-2060

Clip

SN: 10001-UP

1шт.

26

01010-81020

Bolt

SN: 10001-UP

1шт.

27

01643-31032

Washer

SN: 10001-UP

1шт.

28

01010-80816

Bolt

SN: 10001-UP

4шт.

29

01643-30823

Washer

SN: 10001-UP

4шт.

Выбрано товаров: 29