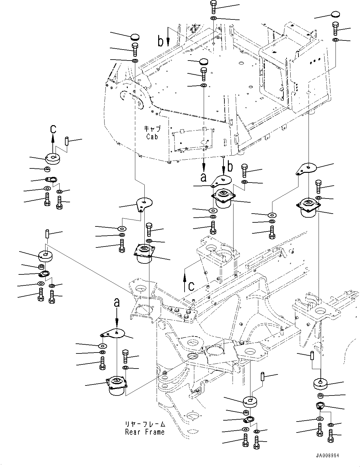
Запчасти Komatsu WA470-7 СУППОРТЫ КАБИНЫ(№-) ПОЛ СУППОРТ

Схема запчастей Komatsu WA470-7 - СУППОРТЫ КАБИНЫ(№-) ПОЛ СУППОРТ
16
17
18
19
20
1
1
5
4
1
6
7
8
9
17
17
7
6
3
2
6
7
16
10
13
14
12
11
7
6
15
5
4
18
19
20
18
19
20
21
1
2
3
13
14
12
11
10
9
8
13
14
10
11
12
9
15
18
19
20
8
15
8
9
10
11
12
14
13
15
17
FIT
1:1
100%

Артикул

Название

Примечание

Количество

1

423-54-53111

Viscous Mount

SN: 10001-UP

4шт.

2

01010-81235

Bolt

SN: 10001-UP

8шт.

3

01643-31232

Washer

SN: 10001-UP

8шт.

4

01010-81280

Bolt

SN: 10001-UP

8шт.

5

01643-31232

Washer

SN: 10001-UP

8шт.

6

01643-32060

Washer

SN: 10001-UP

4шт.

7

01010-82045

Bolt

SN: 10001-UP

4шт.

8

423-926-5970

Plate

SN: 10001-UP

4шт.

9

423-926-5980

Plate

SN: 10001-UP

4шт.

10

423-926-5140

Collar

SN: 10001-UP

4шт.

11

203-54-56970

Washer

SN: 10001-UP

4шт.

12

01010-81030

Bolt

SN: 10001-UP

4шт.

13

01643-33080

Washer

SN: 10001-UP

4шт.

14

01010-83090

Bolt

SN: 10001-UP

4шт.

15

04020-01024

Pin, Dowel

SN: 10001-UP

4шт.

16

09415-05022

Cap

SN: 10001-UP

2шт.

17

423-54-53131

Spacer

SN: 10001-UP

4шт.

18

01643-31032

Washer

SN: 10001-UP

4шт.

19

01010-80820

Bolt

SN: 10001-UP

4шт.

20

01643-30823

Washer

SN: 10001-UP

4шт.

21

09415-05016

Cap

SN: 10001-UP

1шт.

Выбрано товаров: 21