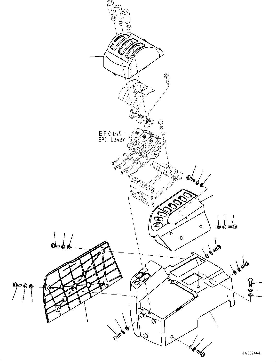
Запчасти Komatsu WA470-7 УПРАВЛЕНИЕ ПОГРУЗКОЙ БЛОК, КРЫШКА(№-) УПРАВЛЕНИЕ ПОГРУЗКОЙ БЛОК, С -EPC РЫЧАГ УПРАВЛЕНИЕ ПОГРУЗКОЙ, ПЕРЕД. РЕВЕРС ПЕРЕКЛЮЧАТЕЛЬ

Схема запчастей Komatsu WA470-7 - УПРАВЛЕНИЕ ПОГРУЗКОЙ БЛОК, КРЫШКА(№-) УПРАВЛЕНИЕ ПОГРУЗКОЙ БЛОК, С -EPC РЫЧАГ УПРАВЛЕНИЕ ПОГРУЗКОЙ, ПЕРЕД. РЕВЕРС ПЕРЕКЛЮЧАТЕЛЬ
5
7
6
4
5
7
6
6
7
5
6
7
5
3
5
7
6
5
7
6
5
7
6
5
7
6
1
5
7
6
2
FIT
1:1
100%

Артикул

Название

Примечание

Количество

1

423-43-58582

Cover Assembly

SN: 10001-UP

1шт.

2

423-43-58571

Cover Assembly

SN: 10001-UP

1шт.

3

423-43-58311

Cover

SN: 10001-UP

1шт.

4

423-43-58760

Cover

SN: 10001-UP

1шт.

5

20Y-43-41290

Collar

SN: 10001-UP

18шт.

6

01245-00620

Screw

SN: 10001-UP

18шт.

7

01643-70623

Washer

SN: 10001-UP

18шт.

Выбрано товаров: 7