Запчасти Komatsu WA470-7 УПРАВЛЕНИЕ ПОГРУЗКОЙ БЛОК, ПРОВОДКА (№-) УПРАВЛЕНИЕ ПОГРУЗКОЙ БЛОК, С -EPC РЫЧАГ УПРАВЛЕНИЕ ПОГРУЗКОЙ, ПЕРЕД. РЕВЕРС ПЕРЕКЛЮЧАТЕЛЬ

Схема запчастей Komatsu WA470-7 - УПРАВЛЕНИЕ ПОГРУЗКОЙ БЛОК, ПРОВОДКА (№-) УПРАВЛЕНИЕ ПОГРУЗКОЙ БЛОК, С -EPC РЫЧАГ УПРАВЛЕНИЕ ПОГРУЗКОЙ, ПЕРЕД. РЕВЕРС ПЕРЕКЛЮЧАТЕЛЬ
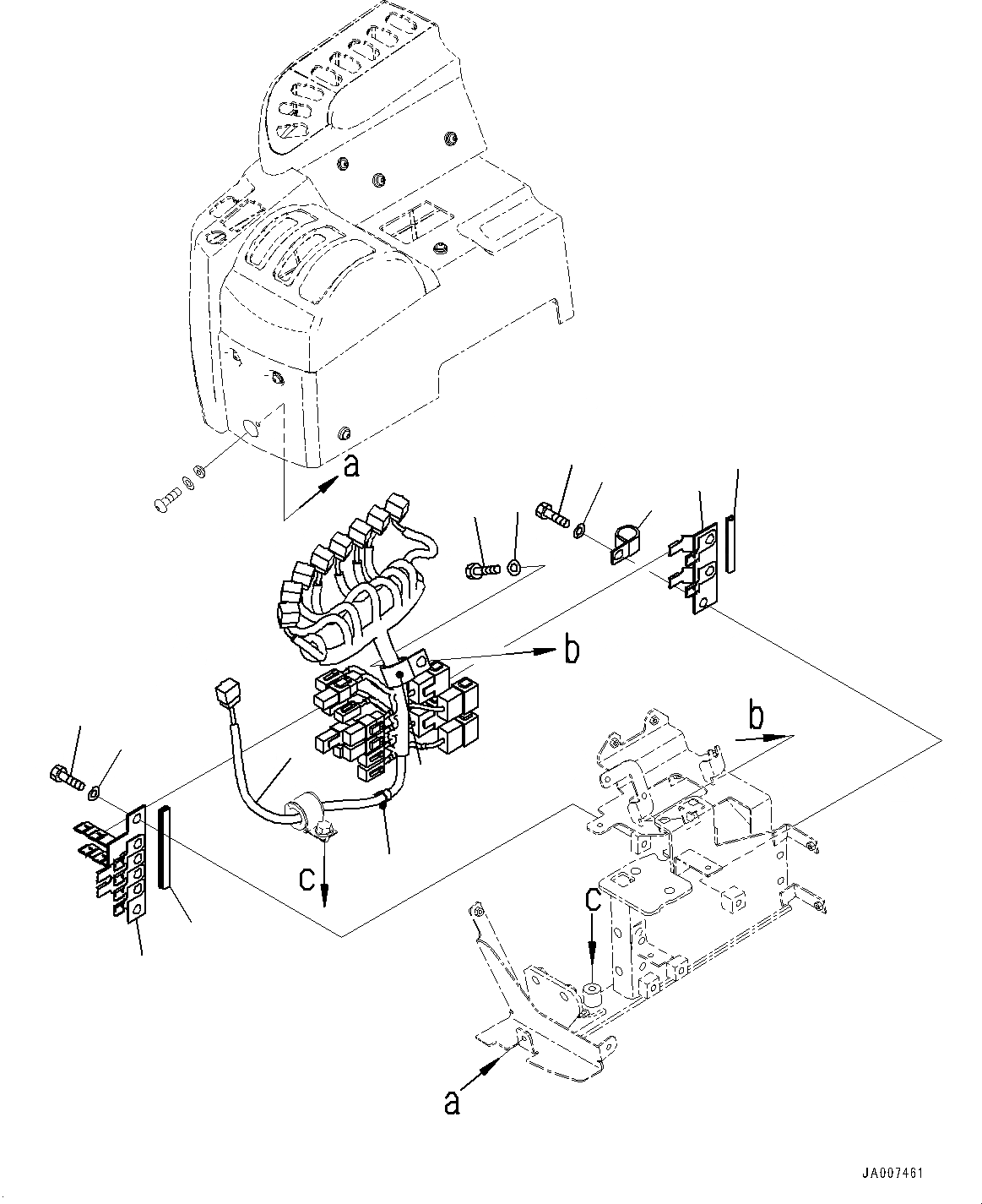
11
10
1
12
8
14
5
7
6
3
4
2
9
13
FIT
1:1
100%

Артикул

Название

Примечание

Количество

1

423-43-58871

Wiring Harness

SN: 10001-UP

1шт.

2

04434-52310

Clip

SN: 10001-UP

1шт.

3

01010-81025

Bolt

SN: 10001-UP

1шт.

4

01643-31032

Washer

SN: 10001-UP

1шт.

5

04434-52511

Clip

SN: 10001-UP

1шт.

6

01010-81020

Bolt

SN: 10001-UP

1шт.

7

01643-31032

Washer

SN: 10001-UP

1шт.

8

423-43-59620

Bracket

SN: 10001-UP

1шт.

9

423-43-59630

Bracket

SN: 10001-UP

1шт.

10

01010-81020

Bolt

SN: 10001-UP

2шт.

11

01643-31032

Washer

SN: 10001-UP

2шт.

12

423-06-42420

Finisher

SN: 10001-UP

1шт.

13

423-944-4730

Finisher

SN: 10001-UP

1шт.

14

08059-00413

Clip

SN: 10001-UP

1шт.

Выбрано товаров: 14