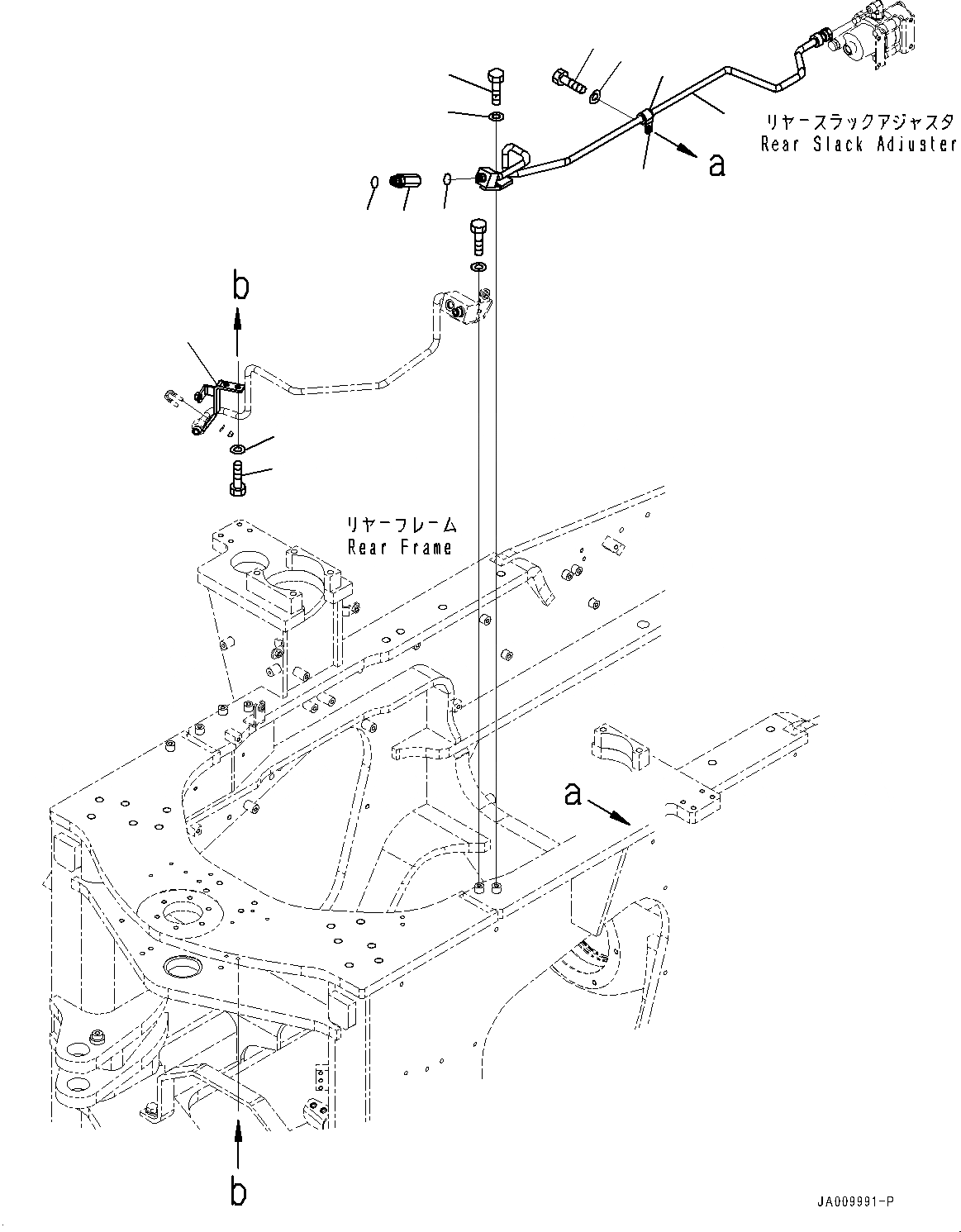
Запчасти Komatsu WA470-7 УПРАВЛ-Е ТОРМОЗОМ, ТОРМОЗНОЙ КЛАПАН ТРУБЫ, ЗАДН. (№-) УПРАВЛ-Е ТОРМОЗОМ, С ДЖОЙСТИК СИСТЕМАУПРАВЛЕНИЯ ПОВОРОТОМ, АВТОМАТИЧ.-СИСТ. СМАЗКИ СИСТЕМА

Схема запчастей Komatsu WA470-7 - УПРАВЛ-Е ТОРМОЗОМ, ТОРМОЗНОЙ КЛАПАН ТРУБЫ, ЗАДН. (№-) УПРАВЛ-Е ТОРМОЗОМ, С ДЖОЙСТИК СИСТЕМАУПРАВЛЕНИЯ ПОВОРОТОМ, АВТОМАТИЧ.-СИСТ. СМАЗКИ СИСТЕМА
5
5
9
10
6
7
1
4
2
3
8
11
12
FIT
1:1
100%

Артикул

Название

Примечание

Количество

1

421-43-57120

Tube

SN: 10001-UP

1шт.

2

01010-81025

Bolt

SN: 10001-UP

1шт.

3

01643-31032

Washer

SN: 10001-UP

1шт.

4

423-43-47690

Valve, Check

SN: 10001-UP

1шт.

4

07002-12034

O-ring

SN: 10001-UP

1шт.

5

02896-11012

O-ring

SN: 10001-UP

2шт.

6

04434-52110

Clip

SN: 10001-UP

1шт.

7

07095-20314

Cushion

SN: 10001-UP

1шт.

8

421-43-57420

Bracket

SN: 10001-UP

1шт.

9

01010-81020

Bolt

SN: 10001-UP

1шт.

10

01643-31032

Washer

SN: 10001-UP

1шт.

11

01010-81025

Bolt

SN: 10001-UP

2шт.

12

01643-31032

Washer

SN: 10001-UP

2шт.

Выбрано товаров: 13