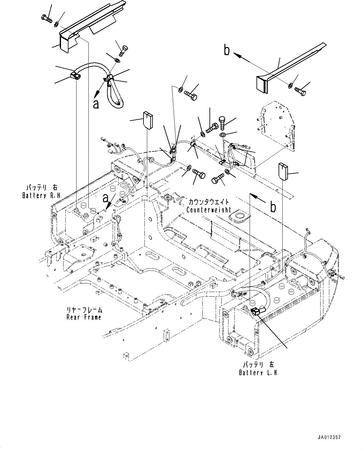
Запчасти Komatsu WA470-7 КОРПУС АККУМУЛЯТОРА, КРЫШКА(№-) КОРПУС АККУМУЛЯТОРА, С ЗАДН. ФОНАРИ ДЛЯ STVZO СПЕЦ-ЯIFICATION, LICENSE ПЛАСТИНА ОСВЕЩЕНИЕ ДЛЯ СТРАН ЕСКАНАТ СПЕЦ-ЯIFICATION

Схема запчастей Komatsu WA470-7 - КОРПУС АККУМУЛЯТОРА, КРЫШКА(№-) КОРПУС АККУМУЛЯТОРА, С ЗАДН. ФОНАРИ ДЛЯ STVZO СПЕЦ-ЯIFICATION, LICENSE ПЛАСТИНА ОСВЕЩЕНИЕ ДЛЯ СТРАН ЕСКАНАТ СПЕЦ-ЯIFICATION
5
6
13
14
7
2
3
1
7
4
10
11
8
12
9
15
16
17
18
19
20
21
19
18
21
20
17
16
17
16
15
15
FIT
1:1
100%

Артикул

Название

Примечание

Количество

1

421-06-51350

Cover

SN: 10001-UP

1шт.

2

01010-81020

Bolt

SN: 10001-UP

2шт.

3

01643-31032

Washer

SN: 10001-UP

2шт.

4

421-06-51360

Cover

SN: 10001-UP

1шт.

5

01010-81020

Bolt

SN: 10001-UP

2шт.

6

01643-31032

Washer

SN: 10001-UP

2шт.

7

421-06-51580

Seal

SN: 10001-UP

2шт.

8

04434-53212

Clip

SN: 10001-UP

1шт.

9

07095-20523

Cushion

SN: 10001-UP

1шт.

10

421-06-51130

Cable

SN: 10001-UP

1шт.

11

14X-06-12270

Cover

SN: 10001-UP

1шт.

12

14X-06-12280

Cover

SN: 10001-UP

1шт.

13

01010-81020

Bolt

SN: 10001-UP

1шт.

14

01643-31032

Washer

SN: 10001-UP

1шт.

15

04434-51012

Clip

SN: 10001-UP

4шт.

16

01010-D1016

Bolt

SN: 10001-UP

4шт.

17

01643-71032

Washer

SN: 10001-UP

4шт.

18

07095-20211

Cushion

SN: 10001-UP

2шт.

19

04434-51610

Clip

SN: 10001-UP

2шт.

20

01010-D1020

Bolt

SN: 10001-UP

2шт.

21

01643-71032

Washer

SN: 10001-UP

2шт.

Выбрано товаров: 21