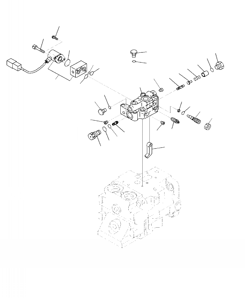
Запчасти Komatsu WA470-7 H- ГИДРАВЛ МАСЛ. НАСОС ВЕНТИЛЯТОР И ТОРМОЗ. НАСОС (/) ГИДРАВЛИКА

Схема запчастей Komatsu WA470-7 - H- ГИДРАВЛ МАСЛ. НАСОС ВЕНТИЛЯТОР И ТОРМОЗ. НАСОС (/) ГИДРАВЛИКА
24
26
22
23
20
25
9
8
2
7
25
20
2
2
3
6
5
4
21
19
19
13
11
10
14
17
15
16
18
12
1
FIT
1:1
100%

Артикул

Название

Примечание

Количество

|$0

708-1S-00490

PUMP ASSEMBLY

1шт.

|$1

708-1S-03470

VALVE ASSEMBLY

1шт.

|$2

BODY ASSEMBLY

1шт.

1

VALVE BODY

1шт.

2

PLUG

3шт.

3

PISTON

1шт.

4

SLEEVE

1шт.

5

07002-61623

O-RING

1шт.

6

07000-B1010

O-RING

1шт.

7

SPOOL

1шт.

8

SEAT

1шт.

9

SPRING

1шт.

10

723-56-31630

PLUG

1шт.

11

07002-61623

O-RING

1шт.

12

LEVER

1шт.

13

RETAINER

1шт.

14

SPACER

1шт.

15

PLUG

1шт.

16

01582-11210

NUT

1шт.

17

O-RING

1шт.

18

20B-27-11210

BLEEDER

1шт.

19

07040-11007

PLUG

2шт.

20

07002-61023

O-RING

2шт.

21

702-21-61500

VALVE, PILOT

1шт.

22

720-1L-15440

O-RING

1шт.

23

720-1L-15430

O-RING

1шт.

24

702-21-54180

SCREW

2шт.

25

702-16-58320

O-RING

2шт.

26

01252-60635

BOLT, HEXAGON SOCKET HEAD

2шт.

Выбрано товаров: 29