Качественные детали и логистика
Оригинальные и аналоговые запчасти с доставкой по России, Казахстану и Беларуси
©2022 PartSell ООО "Система" ИНН 2463123282 ОГРН 1212400004838
Центральный офис: г. Красноярск, Академика Киренского, д.87, пом.4
Телефон: 8 (800) 777-65-74 Email: zakaz@partsell.ru
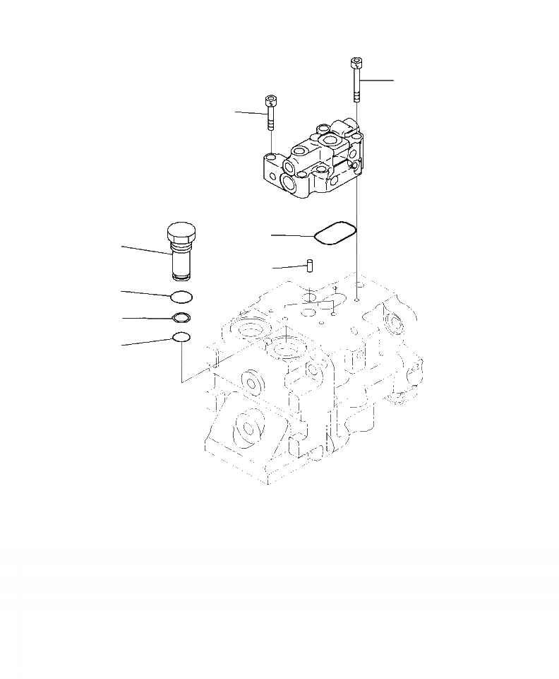
H- ГИДРАВЛ МАСЛ. НАСОС ВЕНТИЛЯТОР И ТОРМОЗ. НАСОС (/)
№
Артикул
Название
Примечание
Количество
|$0
708-1S-00490
PUMP ASSEMBLY
1шт.
1
07000-B3040
O-RING
2
01252-60650
BOLT, HEXAGON SOCKET HEAD
3
01252-60635
3шт.
4
04020-00616
PIN, DOWEL
2шт.
5
708-1S-19930
PLUG
6
723-60-22230
RING, BACK-UP
7
07000-B2016
8
07002-62434
Выбрано товаров: 0