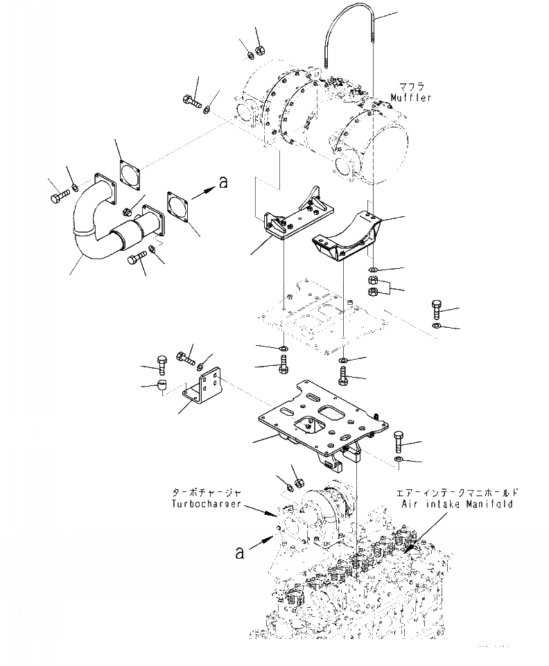
Запчасти Komatsu WA470-7 A- KOMATSU DIESEL ЧАСТЬICULATE ФИЛЬТР. (KDPF) ЭЛЕМЕНТЫ КРЕПЛЕНИЯ ДВИГАТЕЛЬ

Схема запчастей Komatsu WA470-7 - A- KOMATSU DIESEL ЧАСТЬICULATE ФИЛЬТР. (KDPF) ЭЛЕМЕНТЫ КРЕПЛЕНИЯ ДВИГАТЕЛЬ
4
25
26
10
23
26
24
27
23
7
6
26
22
24
5
20
9
3
8
2
25
26
16
15
13
12
1
11
18
19
17
21
14
FIT
1:1
100%

Артикул

Название

Примечание

Количество

1

421-01-51350

BRACKET

1шт.

2

01010-81235

BOLT

4шт.

3

01643-31232

WASHER

4шт.

4

208-01-41551

BOLT

2шт.

5

01581-01210

NUT, STAINLESS

8шт.

6

208-01-41560

WASHER

4шт.

7

421-01-51340

BRACKET

1шт.

8

01010-81450

BOLT

4шт.

9

01643-31445

WASHER

4шт.

10

01010-81250

BOLT

4шт.

11

01643-31232

WASHER

4шт.

12

01010-81240

BOLT

8шт.

13

175-54-34170

WASHER

8шт.

14

421-01-51310

BRACKET

1шт.

15

01010-81070

BOLT

4шт.

16

01643-31032

WASHER

4шт.

17

421-01-51360

BRACKET

1шт.

18

01010-E1055

BOLT

4шт.

19

6631-11-5630

SPACER

4шт.

20

01010-81245

BOLT

4шт.

21

01643-31232

WASHER

4шт.

22

6252-11-5590

TUBE

1шт.

23

6211-11-5490

GASKET

2шт.

24

01020-11245

BOLT, STAINLESS

8шт.

25

01581-01210

NUT, STAINLESS

8шт.

26

01643-31232

WASHER

16шт.

27

6252-11-5910

PLUG

1шт.

Выбрано товаров: 27