Качественные детали и логистика
Оригинальные и аналоговые запчасти с доставкой по России, Казахстану и Беларуси
©2022 PartSell ООО "Система" ИНН 2463123282 ОГРН 1212400004838
Центральный офис: г. Красноярск, Академика Киренского, д.87, пом.4
Телефон: 8 (800) 777-65-74 Email: zakaz@partsell.ru
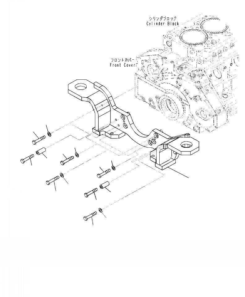
A- ДВИГАТЕЛЬ ПЕРЕДН. СУППОРТ
№
Артикул
Название
Примечание
Количество
1
421-01-51230
BRACKET
1шт.
2
421-01-51250
SPACER
3шт.
3
01010-81055
BOLT
4
01643-31032
WASHER
5
01011-81000
2шт.
6
01011-81005
7
01011-81010
6шт.
8
7шт.
Выбрано товаров: 0