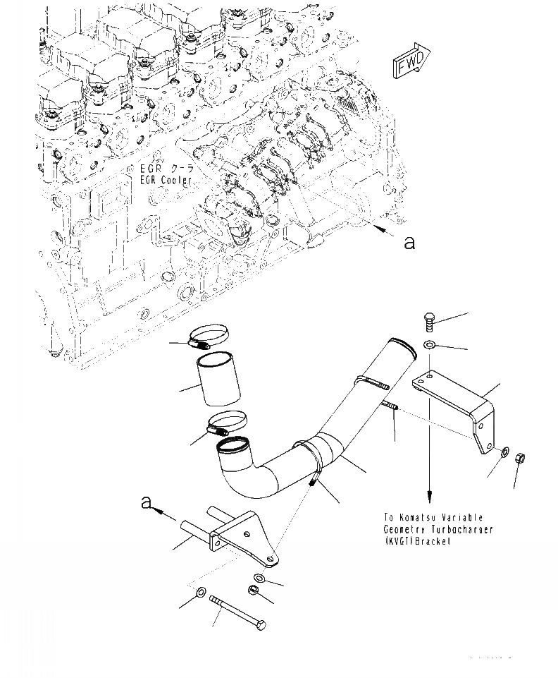
Запчасти Komatsu WA470-7 A- ТРУБОПРОВОД ВПУСКА ВОЗДУХА ВОЗДУХОВОД ДВИГАТЕЛЬ

Схема запчастей Komatsu WA470-7 - A- ТРУБОПРОВОД ВПУСКА ВОЗДУХА ВОЗДУХОВОД ДВИГАТЕЛЬ
3
2
3
7
4
8
9
6
5
1
13
11
12
10
15
14
FIT
1:1
100%

Артикул

Название

Примечание

Количество

1

421-01-51110

TUBE

1шт.

2

6262-11-4810

HOSE

1шт.

3

07299-00080

CLAMP

2шт.

4

421-01-51130

BRACKET

1шт.

5

01011-81035

BOLT

2шт.

6

01643-31032

WASHER

2шт.

7

07283-37663

CLIP

1шт.

8

01643-31032

WASHER

2шт.

9

01597-01009

NUT

2шт.

10

421-01-51140

BRACKET

1шт.

11

01010-81035

BOLT

2шт.

12

01643-31032

WASHER

2шт.

13

07283-37663

CLIP

1шт.

14

01643-31032

WASHER

2шт.

15

01597-01009

NUT

2шт.

Выбрано товаров: 15