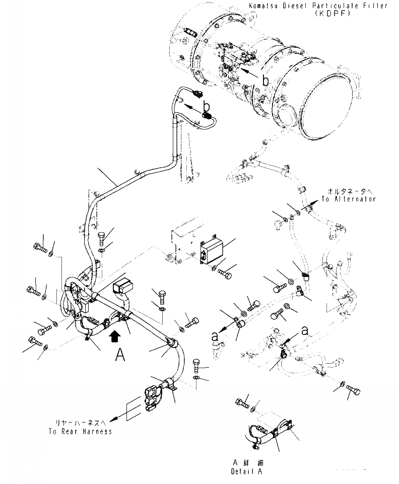
Запчасти Komatsu WA470-7 B- КОМПОНЕНТЫ ДВИГАТЕЛЯ ДВИГАТЕЛЬ ПРОВОДКА (/) КОМПОНЕНТЫ ДВИГАТЕЛЯ

Схема запчастей Komatsu WA470-7 - B- КОМПОНЕНТЫ ДВИГАТЕЛЯ ДВИГАТЕЛЬ ПРОВОДКА (/) КОМПОНЕНТЫ ДВИГАТЕЛЯ
17
13
12
28
14
30
18
29
20
6
19
16
13
23
14
24
21
18
4
10
5
20
9
19
6
6
3
6
7
2
8
4
3
25
5
7
8
27
26
2
6
17
15
11
1
22
6
FIT
1:1
100%

Артикул

Название

Примечание

Количество

1

421-06-52280

WIRING HARNESS

1шт.

2

04434-53211

CLIP

2шт.

3

07095-20523

CUSHION

2шт.

4

01010-81020

BOLT

2шт.

5

01643-31032

WASHER

2шт.

6

600-051-2240

CLIP

7шт.

7

01010-81020

BOLT

3шт.

8

01643-31032

WASHER

3шт.

9

01010-81025

BOLT

1шт.

10

01643-31032

WASHER

1шт.

11

01010-81030

BOLT

1шт.

12

01643-31032

WASHER

1шт.

13

01010-81025

BOLT

2шт.

14

01643-31032

WASHER

2шт.

15

01010-81425

BOLT

2шт.

16

01643-31445

WASHER

2шт.

17

22W-70-16120

WASHER

2шт.

18

600-051-2140

CLIP

2шт.

19

01010-81020

BOLT

2шт.

20

01643-31032

WASHER

2шт.

21

04434-52112

CLIP

1шт.

22

07095-20314

CUSHION

1шт.

23

01010-81020

BOLT

1шт.

24

01643-31032

WASHER

1шт.

25

600-051-2060

CLIP

1шт.

26

01010-81020

BOLT

1шт.

27

01643-31032

WASHER

1шт.

28

600-815-9780

SWITCH, PRIMING PUMP

1шт.

29

01010-80816

BOLT

4шт.

30

01643-30823

WASHER

4шт.

Выбрано товаров: 30