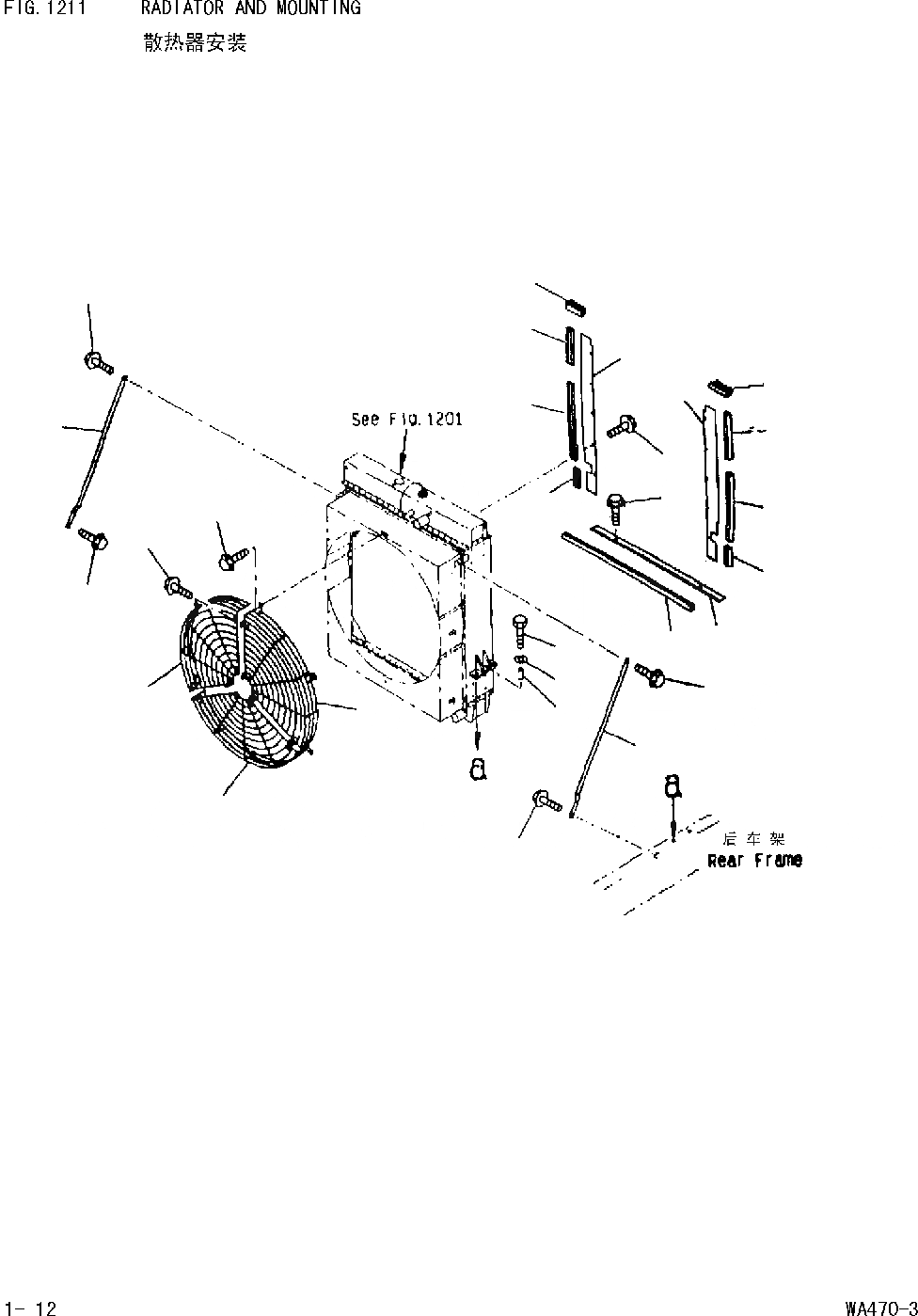
Запчасти Komatsu WA470-DZ-3 РАДИАТОР И КРЕПЛЕНИЕ [КОМПОНЕНТЫ ДВИГАТЕЛЯ И ЭЛЕКТРИКА]

Схема запчастей Komatsu WA470-DZ-3 - РАДИАТОР И КРЕПЛЕНИЕ [КОМПОНЕНТЫ ДВИГАТЕЛЯ И ЭЛЕКТРИКА]
13
12
15
10
10
11
11
12
13
14
15
8
9
7
6
3
5
4
7
1
1
1
2
2
7
6
7
14
FIT
1:1
100%

Артикул

Название

Примечание

Количество

1

421-03-23110

GUARD.ENGINE FAN

Field_2: 20001-

3шт.

2

01435-01020

BOLT

Field_2: 20001-

12шт.

3

41E-70-15771

SPACER

Field_2: 20001-

2шт.

4

01010-81490

BOLT

Field_2: 20001-

2шт.

5

01643-31445

WASHER

Field_2: 20001-

4шт.

6

421-03-23150

STAY

Field_2: 20001-

1шт.

7

01435-01235

BOLT

Field_2: 20001-

4шт.

8

421-03-23380

PLATE

Field_2: 20001-

1шт.

9

421-03-23230

SEAL

Field_2: 20001-

1шт.

10

421-03-23350

PLATE

Field_2: 20001-

2шт.

11

01435-01016

BOLT

Field_2: 20001-

12шт.

12

417-54-21360

SEAL

Field_2: 20001-

2шт.

13

421-03-23520

SEAL

Field_2: 20001-

2шт.

14

421-03-23530

SEAL

Field_2: 20001-

2шт.

15

421-03-23540

SEAL

Field_2: 20001-

2шт.

Выбрано товаров: 15