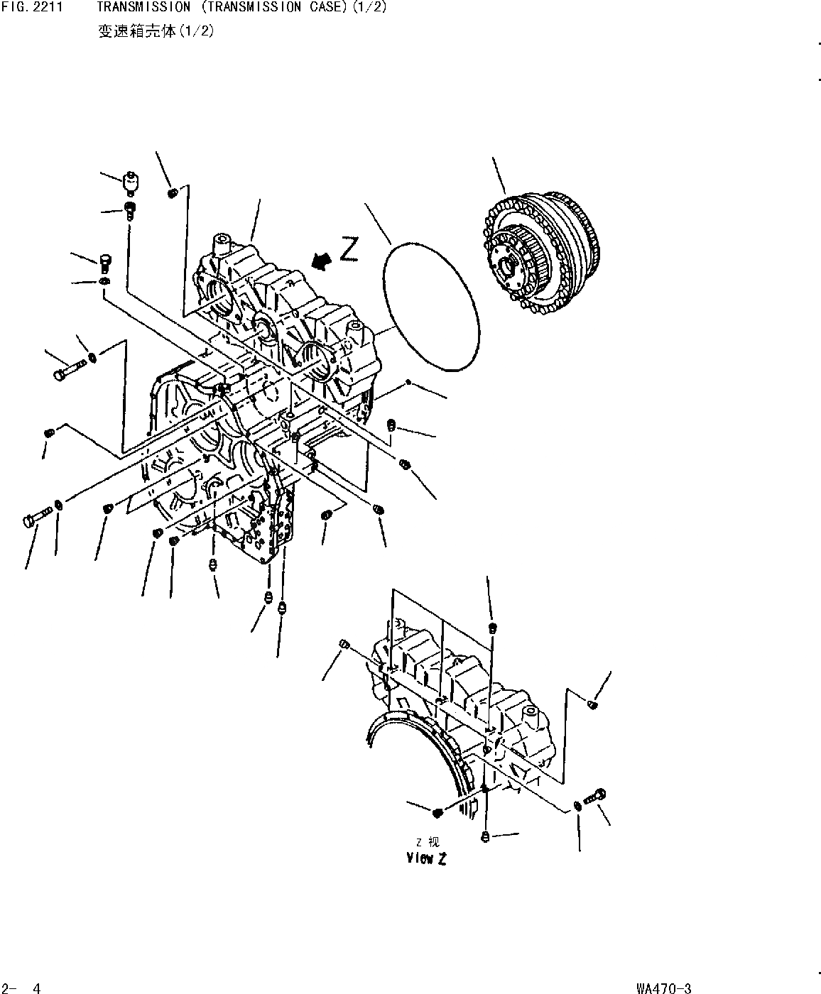
Запчасти Komatsu WA470-DZ-3 ТРАНСМИССИЯ(КОРПУС ТРАНСМИССИИ)(/) [ТРАНСМИССИЯ]

Схема запчастей Komatsu WA470-DZ-3 - ТРАНСМИССИЯ(КОРПУС ТРАНСМИССИИ)(/) [ТРАНСМИССИЯ]
1
5
10
11
12
13
15
17
2
17
16
4
3
4
7
8
6
9
6
8
6
6
18
9
9
20
21
9
9
14
19
FIT
1:1
100%

Артикул

Название

Примечание

Количество

|$1

714-07-X0011

TRANSMISSION ASS'Y

Field_2: 20060-

1шт.

|$2

0

CASE ASS'Y,TORQUE CONVERTER

Field_2: 20001-

1шт.

1

0

CASE

Field_2: 20001-

1шт.

2

07043-71019

PLUG

Field_2: 20001-

1шт.

3

07043-70617

PLUG

Field_2: 20001-

1шт.

4

07043-70415

PLUG

Field_2: 20001-

4шт.

5

419-15-12750

PLUG

Field_2: 20001-

3шт.

6

07043-70617

PLUG

Field_2: 20001-

8шт.

7

07043-71019

PLUG

Field_2: 20001-

1шт.

8

07043-70415

PLUG

Field_2: 20001-

5шт.

9

07043-70108

PLUG

Field_2: 20001-

7шт.

10

07030-00252

BREATHER

Field_2: 20001-

1шт.

11

566-22-13170

NIPPLE

Field_2: 20001-

1шт.

12

419-15-18220

PLUG

Field_2: 20001-

1шт.

13

07005-02216

GASKET

Field_2: 20001-

1шт.

14

711-47-00300

TORQUE CONVERTER A

Field_2: 20001-

1шт.

15

01010-81270

BOLT

Field_2: 20001-

4шт.

16

01010-81240

BOLT

Field_2: 20001-

2шт.

17

01643-31232

WASHER

Field_2: 20001-

6шт.

18

07000-12012

O-RING

Field_2: 20001-

1шт.

19

120-10-31120

O-RING

Field_2: 20001-

1шт.

20

01010-61040

BOLT

Field_2: 20001-

12шт.

21

01643-31032

WASHER

Field_2: 20001-

12шт.

Выбрано товаров: 0