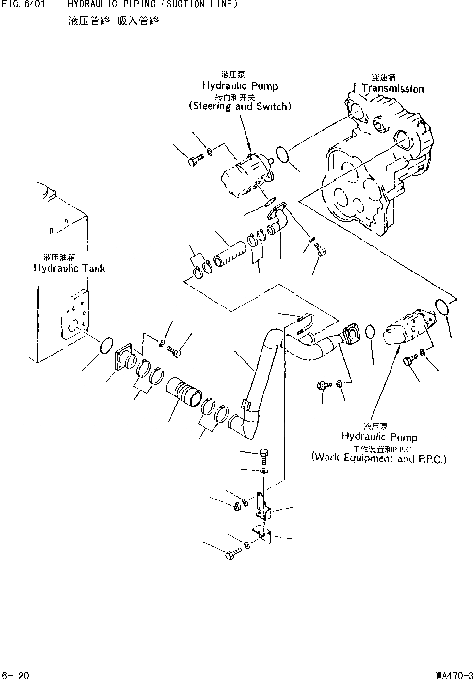
Запчасти Komatsu WA470-DZ-3 ГИДРОЛИНИЯ(ВСАСЫВ. ЛИНИЯ) [УПРАВЛ-Е РАБОЧИМ ОБОРУДОВАНИЕМ]

Схема запчастей Komatsu WA470-DZ-3 - ГИДРОЛИНИЯ(ВСАСЫВ. ЛИНИЯ) [УПРАВЛ-Е РАБОЧИМ ОБОРУДОВАНИЕМ]
6
5
8
26
6
7
10
9
23
16
15
1
3
4
2
27
28
26
20
17
18
19
25
24
22
21
12
11
12
13
14
27
28
FIT
1:1
100%

Артикул

Название

Примечание

Количество

1

421-62-23210

TUBE

Field_2: 20001-

1шт.

2

07000-12075

O-RING

Field_2: 20001-

1шт.

3

07372-21235

BOLT

Field_2: 20001-

4шт.

4

01643-51232

WASHER

Field_2: 20001-

4шт.

5

07260-05823

HOSE

Field_2: 20001-

1шт.

6

07281-00909

CLAMP

Field_2: 20001-

4шт.

7

421-62-23230

TUBE

Field_2: 20001-

1шт.

8

07000-12060

O-RING

Field_2: 20001-

1шт.

9

07372-21235

BOLT

Field_2: 20001-

4шт.

10

01643-51232

WASHER

Field_2: 20001-

4шт.

11

421-62-23940

HOSE

Field_2: 20001-

1шт.

12

07289-00120

CLAMP

Field_2: 20001-

4шт.

13

421-62-23220

TUBE

Field_2: 20001-

1шт.

14

07000-12105

O-RING

Field_2: 20001-

1шт.

15

01010-81235

BOLT

Field_2: 20001-

4шт.

16

01643-31232

WASHER

Field_2: 20001-

4шт.

17

421-62-23260

PLATE

Field_2: 20001-

1шт.

18

01010-81030

BOLT

Field_2: 20001-

2шт.

19

01643-31032

WASHER

Field_2: 20001-

2шт.

20

421-62-23270

PLATE

Field_2: 20001-

1шт.

21

01010-81030

BOLT

Field_2: 20001-

2шт.

22

01643-31032

WASHER

Field_2: 20001-

2шт.

23

07283-21079

CLIP

Field_2: 20001-

1шт.

24

01643-31232

WASHER

Field_2: 20001-

2шт.

25

01599-01214

NUT

Field_2: 20001-

2шт.

26

07000-12130

O-RING

Field_2: 20001-

2шт.

27

01010-81645

BOLT

Field_2: 20001-

4шт.

28

01643-31645

WASHER

Field_2: 20001-

4шт.

Выбрано товаров: 28