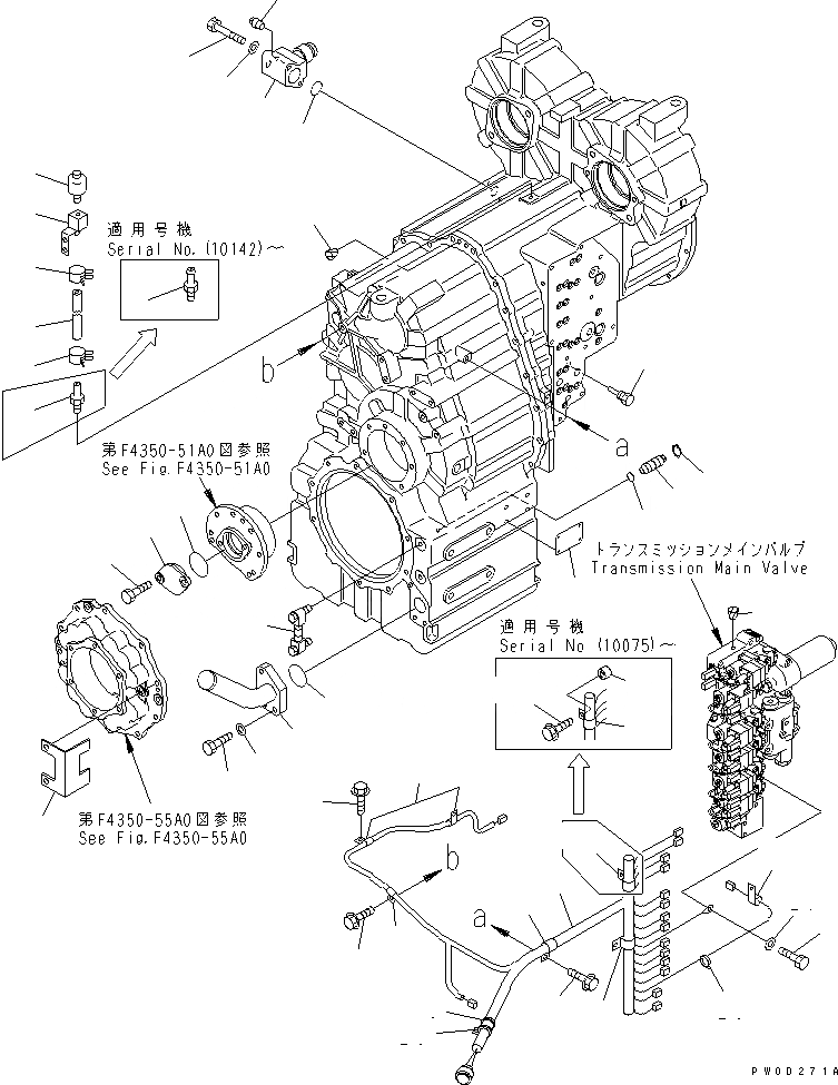
Запчасти Komatsu WA480-5 ТРАНСМИССИЯ (ОНОСЯЩИЕСЯ К НЕЙ ЧАСТИ)(С БЛОКИР.UP) СИЛОВАЯ ПЕРЕДАЧА

Схема запчастей Komatsu WA480-5 - ТРАНСМИССИЯ (ОНОСЯЩИЕСЯ К НЕЙ ЧАСТИ)(С БЛОКИР.UP) СИЛОВАЯ ПЕРЕДАЧА
1
1
2
3
4
4
5
6
7
8
9
10
11
12
13
14
15
16
17
18
19
20
21
22
23
24
25
26
27
28
28
28
29
29
30
31
32
33
34
34
35
36
37
38
39
40
FIT
1:1
100%

Артикул

Название

Примечание

Количество

|$$1

SERIAL NO. IN ( ) INDICATES TRANSMISSION SERIAL NO.

-1шт.

|$3

714-07-20012

TORQFLOW ASS'Y,(WITH LOCK-UP)

SN: (111067)-UP

1шт.

|$4

0

TORQFLOW ASS'Y,(WITH LOCK-UP)

SN: 80001-(111066)

1шт.

|$5

0

TORQFLOW ASS'Y,(WITH LOCK-UP)

SN: (80001-(110482))

1шт.

|$$5

THESE ASSEMBLIES CONSISTS OF ALL PARTS SHOWN IN FIGS.F4350-51A0 TO F4350-63A0.

-1шт.

1

154-04-11540

NIPPLE

SN: (10142)-UP

1шт.

1

22T-49-12261

NIPPLE

SN: 80001-(10141)

1шт.

2

22T-49-12330

BLOCK

SN: 80001-UP

1шт.

3

07260-20990

HOSE

SN: 80001-UP

1шт.

4

11Y-09-11140

CLIP

SN: 80001-UP

2шт.

5

07030-00252

BREATHER

SN: 80001-UP

1шт.

6

419-15-18241

PLUG

SN: 80001-UP

1шт.

7

07002-12434

O-RING (K1)

SN: 80001-UP

1шт.

8

419-15-18251

RING,SNAP

SN: 80001-UP

1шт.

9

09608-05080

PLATE, NAME,(LIMITED SUPPLY)

SN: 80001-UP

1шт.

9

04418-13060

SCREW

SN: 80001-UP

4шт.

10

714-13-11350

COVER

SN: 80001-UP

1шт.

11

07000-12065

O-RING (K1)

SN: 80001-UP

1шт.

12

01010-81225

BOLT

SN: 80001-UP

2шт.

13

714-07-28510

TUBE,FILLER

SN: 80001-UP

1шт.

14

07000-12055

O-RING (K1)

SN: 80001-UP

1шт.

15

01010-81245

BOLT

SN: 80001-UP

3шт.

16

01643-31232

WASHER

SN: 80001-UP

3шт.

17

23S-15-18180

GAUGE ASS'Y

SN: 80001-UP

1шт.

18

714-07-28550

COVER

SN: 80001-UP

1шт.

19

714-07-28182

TUBE,OUTLET

SN: 80001-UP

1шт.

20

01011-81000

BOLT

SN: 80001-UP

2шт.

21

01643-31032

WASHER

SN: 80001-UP

2шт.

22

07000-73035

O-RING (K1)

SN: 80001-UP

1шт.

23

07042-80108

PLUG

SN: 80001-UP

1шт.

24

714-07-25821

WIRING HARNESS

SN: 80001-UP

1шт.

24

21J-06-13661

DIODE

SN: 80001-UP

1шт.

25

08034-00414

BAND

SN: 80001-UP

1шт.

26

01010-81020

BOLT

SN: 80001-UP

1шт.

27

01643-31032

WASHER

SN: 80001-UP

1шт.

28

04434-52511

CLIP

SN: 80001-UP

2шт.

29

04434-53411

CLIP

SN: 80001-UP

2шт.

30

07095-20625

CUSHION

SN: 80001-UP

1шт.

31

04434-51010

CLIP

SN: 80001-UP

2шт.

32

04434-51012

CLIP

SN: 80001-UP

1шт.

33

01435-01220

BOLT

SN: 80001-UP

1шт.

34

01435-01016

BOLT

SN: 80001-UP

4шт.

35

7861-93-3320

SENSOR

SN: 80001-UP

1шт.

36

04434-50610

CLIP

SN: 70001-UP

1шт.

37

07049-01215

PLUG

SN: 80001-UP

9шт.

38

07049-01012

PLUG

SN: 80001-UP

1шт.

39

144-874-7470

BOSS

SN: (10075)-UP

1шт.

40

01435-01040

BOLT

SN: (10075)-UP

1шт.

Выбрано товаров: 48