Запчасти Komatsu WA480-5 ОСНОВН. КОНСТРУКЦИЯ (ТОРМОЗ. АКСЕССУАРЫ) КАБИНА ОПЕРАТОРА И СИСТЕМА УПРАВЛЕНИЯ

Схема запчастей Komatsu WA480-5 - ОСНОВН. КОНСТРУКЦИЯ (ТОРМОЗ. АКСЕССУАРЫ) КАБИНА ОПЕРАТОРА И СИСТЕМА УПРАВЛЕНИЯ
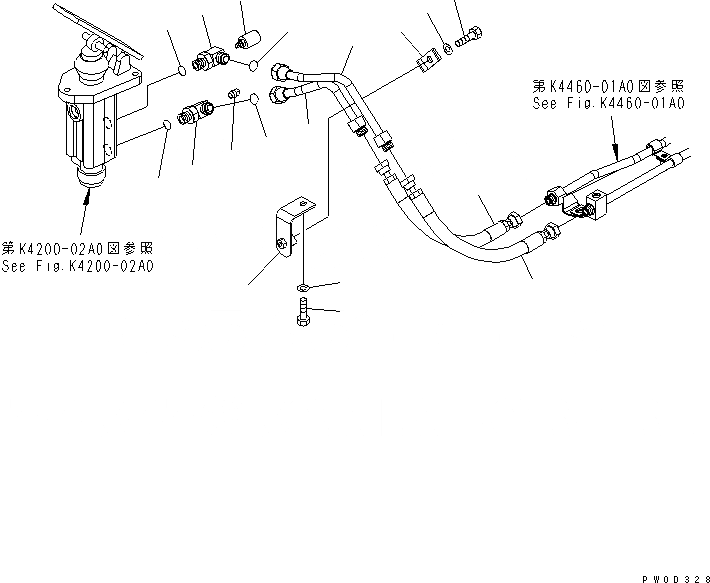
1
1
2
2
3
4
5
6
7
8
9
10
11
12
13
13
14
14
FIT
1:1
100%

Артикул

Название

Примечание

Количество

1

424-43-27330

ELBOW

SN: 80001-UP

2шт.

2

07002-12034

O-RING

SN: 80001-UP

2шт.

3

02753-00404

HOSE

SN: 80001-UP

1шт.

4

421-43-38390

HOSE

SN: 80001-UP

1шт.

5

42C-43-12941

SWITCH,PRESSURE

SN: 80001-UP

1шт.

6

07042-70108

PLUG

SN: 80001-UP

1шт.

7

421-43-37840

TUBE

SN: 80001-UP

1шт.

8

421-43-37850

TUBE

SN: 80001-UP

1шт.

9

421-43-37780

BRACKET

SN: 80001-UP

1шт.

10

424-35-11970

PLATE

SN: 80001-UP

1шт.

11

01010-81035

BOLT

SN: 80001-UP

1шт.

12

01010-81020

BOLT

SN: 80001-UP

1шт.

13

01643-31032

WASHER

SN: 80001-UP

2шт.

14

02896-11012

O-RING

SN: 80001-UP

2шт.

Выбрано товаров: 0