Качественные детали и логистика
Оригинальные и аналоговые запчасти с доставкой по России, Казахстану и Беларуси
©2022 PartSell ООО "Система" ИНН 2463123282 ОГРН 1212400004838
Центральный офис: г. Красноярск, Академика Киренского, д.87, пом.4
Телефон: 8 (800) 777-65-74 Email: zakaz@partsell.ru
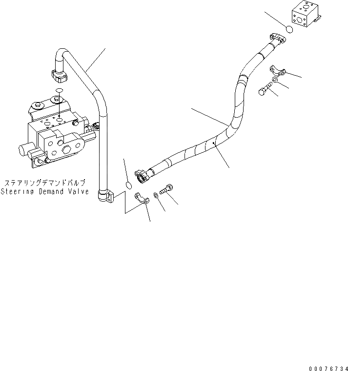
ГИДРОЛИНИЯ (ПАТРУБКИ НАСОСА УПРАВЛЕНИЯ)
№
Артикул
Название
Примечание
Количество
1
07125-01014
HOSE
SN: A37001-UP
1шт.
2
07000-13032
O-RING
2шт.
3
07371-31049
FLANGE
4шт.
4
07372-21035
BOLT
8шт.
5
01643-51032
WASHER
6
TUBE,(SEE FIG. H0122-02A1)
-1шт.
7
08210-02904
SPIRAL TUBE
Выбрано товаров: 0