Запчасти Komatsu WA480-5L ОСНОВН. КОНСТРУКЦИЯ (ПОЛ ПРОВОДКА КРЕПЛЕНИЕ) КАБИНА ОПЕРАТОРА И СИСТЕМА УПРАВЛЕНИЯ

Схема запчастей Komatsu WA480-5L - ОСНОВН. КОНСТРУКЦИЯ (ПОЛ ПРОВОДКА КРЕПЛЕНИЕ) КАБИНА ОПЕРАТОРА И СИСТЕМА УПРАВЛЕНИЯ
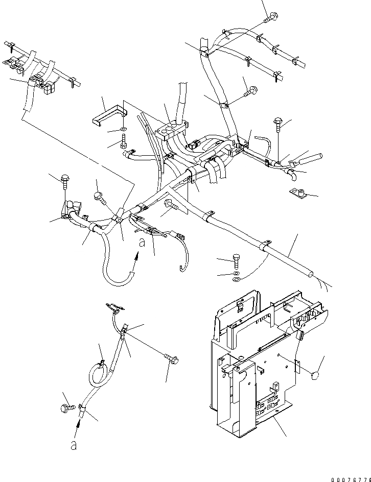
1
2
3
4
5
5
6
7
8
9
10
11
12
13
13
14
15
15
16
17
17
17
18
19
20
21
22
23
24
25
26
27
28
29
FIT
1:1
100%

Артикул

Название

Примечание

Количество

1

281-01-13180

CLIP

SN: A37001-UP

1шт.

2

01435-01016

BOLT

SN: A37001-UP

1шт.

3

23S-62-25850

CLIP

SN: A37001-UP

1шт.

4

01435-01016

BOLT

SN: A37001-UP

1шт.

5

04434-51912

CLIP

SN: A37001-UP

2шт.

6

01435-01020

BOLT

SN: A37001-UP

2шт.

7

04434-52512

CLIP

SN: A37001-UP

2шт.

8

01435-01016

BOLT

SN: A37001-UP

2шт.

9

421-06-32490

SHEET

SN: A37001-UP

1шт.

|$9

421-06-32481

SHEET,(FOR JOYSTICK STEERING)

SN: A37001-UP

1шт.

10

421-06-32730

PLATE

SN: A37001-UP

1шт.

11

01010-80612

BOLT

SN: A37001-UP

2шт.

12

01643-30623

WASHER

SN: A37001-UP

2шт.

13

04434-53412

CLIP

SN: A37001-UP

2шт.

14

01435-01016

BOLT

SN: A37001-UP

2шт.

15

04434-53412

CLIP

SN: A37001-UP

2шт.

16

01435-01020

BOLT

SN: A37001-UP

2шт.

17

04434-51912

CLIP

SN: A37001-UP

3шт.

18

01435-01016

BOLT

SN: A37001-UP

3шт.

19

08053-01510

CLIP

SN: A37001-UP

1шт.

20

01435-01016

BOLT

SN: A37001-UP

1шт.

21

935 522 C1

BAND

SN: A37001-UP

1шт.

22

363-54-32220

PLUG

SN: A37001-UP

1шт.

23

HARNESS,(SEE FIG. K4200-02A0)

SN: A37001-UP

-1шт.

24

BOX,(SEE FIG. K4200-17A0)

SN: A37001-UP

-1шт.

25

01010-81016

BOLT

SN: A37001-UP

1шт.

26

01643-31032

WASHER

SN: A37001-UP

1шт.

27

426-06-11570

BRACKET

SN: A37001-UP

1шт.

28

04434-52312

CLIP

SN: A37001-UP

1шт.

29

04434-51012

CLIP

SN: A37001-UP

1шт.

Выбрано товаров: 30