Запчасти Komatsu WA480-5L ОСНОВН. КОНСТРУКЦИЯ (УПРАВЛЕНИЕ ПОГРУЗКОЙ) (ДЛЯ ДЖОЙСТИК РУЛЕВ. УПРАВЛЕНИЕ) КАБИНА ОПЕРАТОРА И СИСТЕМА УПРАВЛЕНИЯ

Схема запчастей Komatsu WA480-5L - ОСНОВН. КОНСТРУКЦИЯ (УПРАВЛЕНИЕ ПОГРУЗКОЙ) (ДЛЯ ДЖОЙСТИК РУЛЕВ. УПРАВЛЕНИЕ) КАБИНА ОПЕРАТОРА И СИСТЕМА УПРАВЛЕНИЯ
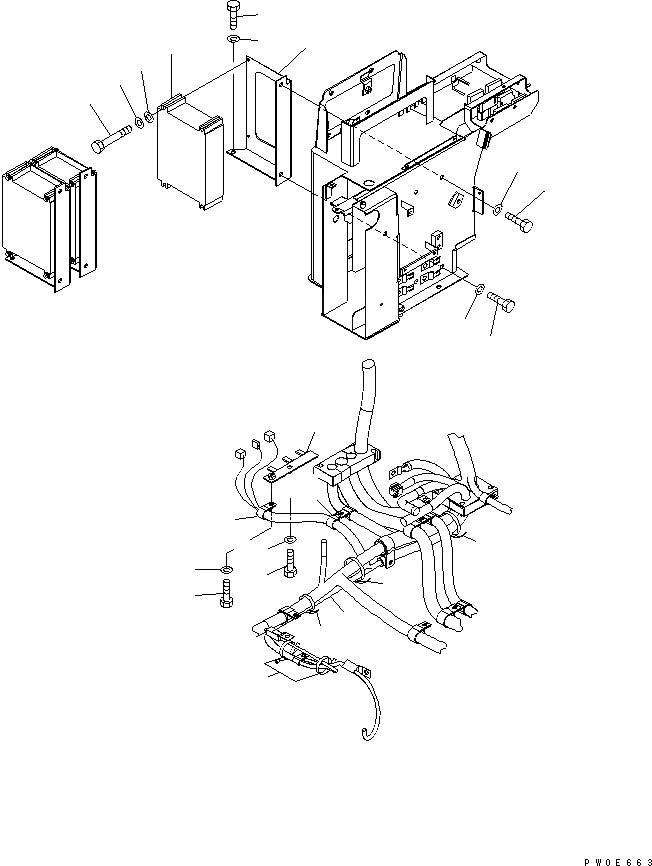
1
2
3
4
5
6
6
7
7
8
9
10
11
11
12
13
14
15
16
17
17
17
18
FIT
1:1
100%

Артикул

Название

Примечание

Количество

1

7823-33-2005

CONTROLLER

SN: A37001-UP

1шт.

2

419-70-11490

BOLT

SN: A37001-UP

4шт.

3

01643-30623

WASHER

SN: A37001-UP

4шт.

4

01643-31032

WASHER

SN: A37001-UP

4шт.

5

421-06-32111

BRACKET

SN: A37001-UP

1шт.

6

01010-81020

BOLT

SN: A37001-UP

2шт.

7

01643-31032

WASHER

SN: A37001-UP

2шт.

8

01010-D1020

BOLT

SN: A37001-UP

1шт.

9

01643-71032

WASHER

SN: A37001-UP

1шт.

10

421-06-A1470

WIRING HARNESS

SN: A37001-UP

1шт.

11

04434-52312

CLIP

SN: A37001-UP

2шт.

12

01010-81020

BOLT

SN: A37001-UP

1шт.

13

01643-31032

WASHER

SN: A37001-UP

1шт.

14

424-06-31120

BRACKET

SN: A37001-UP

1шт.

15

01010-81020

BOLT

SN: A37001-UP

1шт.

16

01643-31032

WASHER

SN: A37001-UP

1шт.

17

08034-20834

BAND

SN: A37001-UP

6шт.

18

08034-40521

BAND

SN: A37001-UP

2шт.

Выбрано товаров: 18