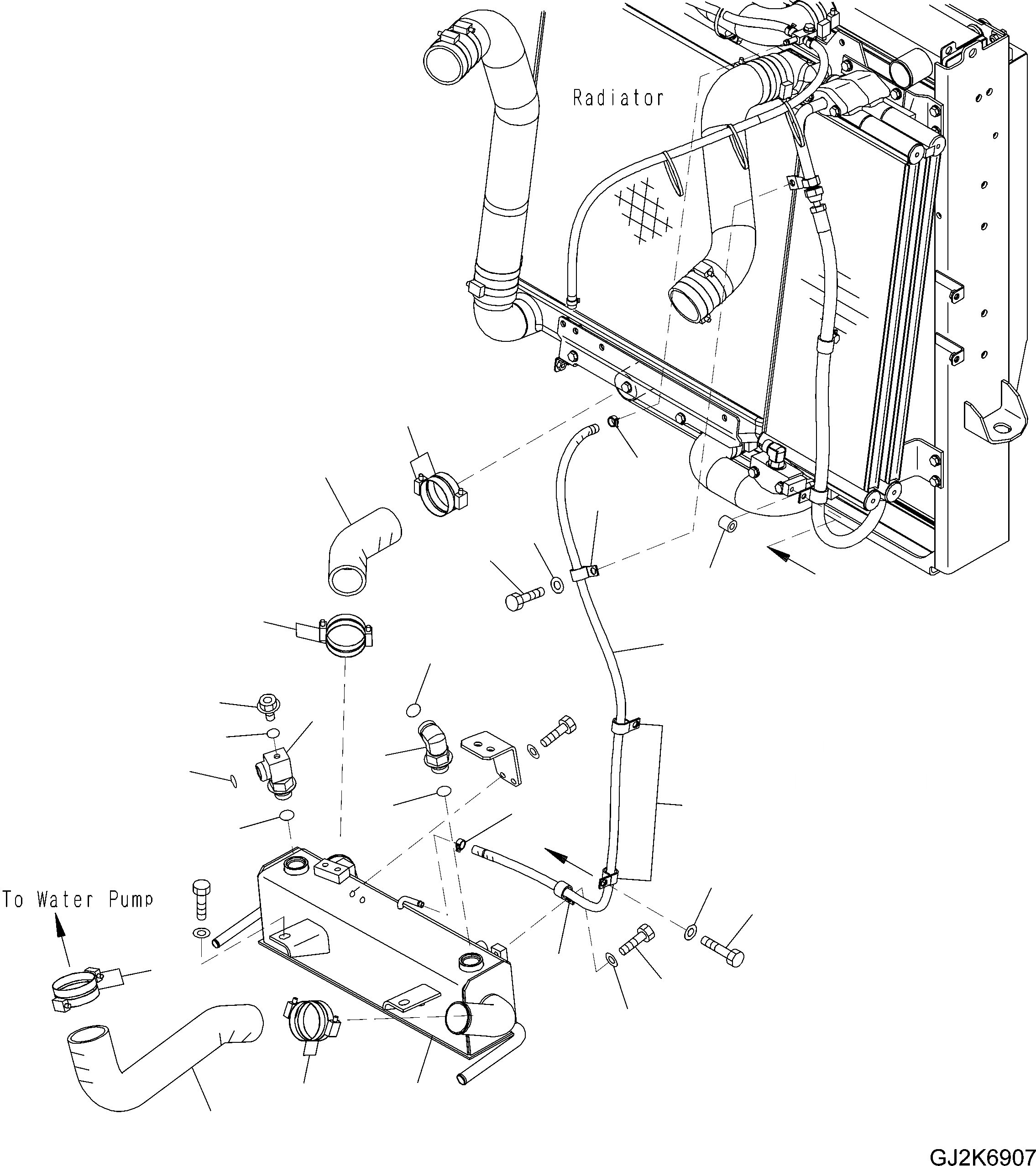
Запчасти Komatsu WA480-6 LC РАДИАТОР (ГИДРОТРАНСФОРМАТОР ОХЛАДИТЕЛЬ И ТРУБЫ) C СИСТЕМА ОХЛАЖДЕНИЯ

Схема запчастей Komatsu WA480-6 LC - РАДИАТОР (ГИДРОТРАНСФОРМАТОР ОХЛАДИТЕЛЬ И ТРУБЫ) C СИСТЕМА ОХЛАЖДЕНИЯ
10
11
1
12
7
6
5
4
3
2
6
7
14
15
20
19
15
22
21
a
a
18
13
14
15
17
16
9
8
9
FIT
1:1
100%

Артикул

Название

Примечание

Количество

1

421-16-45160

COOLER

SN: H60470-UP

1шт.

2

21W-62-42640

ELBOW

SN: H60470-UP

1шт.

3

421-03-42230

ELBOW

SN: H60470-UP

1шт.

4

708-8E-16150

PLUG

SN: H60470-UP

1шт.

5

07002-11023

O-RING

SN: H60470-UP

1шт.

6

07002-23334

O-RING

SN: H60470-UP

2шт.

7

421-09-31140

O-RING

SN: H60470-UP

2шт.

8

421-03-42250

HOSE

SN: H60470-UP

1шт.

9

07289-00070

CLAMP

SN: H60470-UP

4шт.

10

421-03-32132

HOSE

SN: H60470-UP

1шт.

11

07289-00070

CLAMP

SN: H60470-UP

2шт.

12

07289-00080

CLAMP

SN: H60470-UP

2шт.

13

421-16-41180

HOSE, 1560MM

SN: H60470-UP

1шт.

14

11Y-09-11140

CLIP

SN: H60470-UP

2шт.

15

04434-52312

CLIP

SN: H60470-UP

4шт.

16

01010-81020

BOLT

SN: H60470-UP

1шт.

17

01643-31032

WASHER

SN: H60470-UP

1шт.

18

195-33-11220

SPACER

SN: H60470-UP

1шт.

19

01010-81045

BOLT

SN: H60470-UP

1шт.

20

01643-31032

WASHER

SN: H60470-UP

1шт.

21

01010-81016

BOLT

SN: H60470-UP

1шт.

22

01643-31032

WASHER

SN: H60470-UP

1шт.

Выбрано товаров: 22