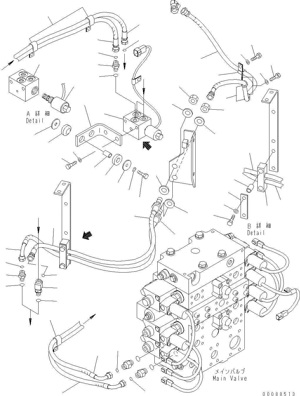
Запчасти Komatsu WA480-6 LC ГИДРОЛИНИЯ (ДРЕНАЖН. И ГЛАВН. КЛАПАН ЛИНИЯ) (EPC) H ГИДРАВЛИКА

Схема запчастей Komatsu WA480-6 LC - ГИДРОЛИНИЯ (ДРЕНАЖН. И ГЛАВН. КЛАПАН ЛИНИЯ) (EPC) H ГИДРАВЛИКА
5
3
1
35
33
36
30
29
35
22
24
31
32
21
28
25
23
22
27
26
20
12
19
12
12
11
13
14
14
11
12
16
15
18
17
20
7
6
10
9
19
8
20
35
34
36
19
35
33
36
5
3
4
1
2
a
a
b
b
c
c
A
B
A
B
FIT
1:1
100%

Артикул

Название

Примечание

Количество

1

421-62-44670

HOSE, 1350MM

SN: H60470-UP

1шт.

2

02896-11009

O-RING

SN: H60470-UP

1шт.

3

421-62-44710

HOSE, 1300MM

SN: H60470-UP

1шт.

|$4

21U-62-34720

BAND, BLACK

SN: H60470-UP

2шт.

4

02896-11009

O-RING

SN: H60470-UP

1шт.

5

04435-51610

CLIP

SN: H60470-UP

3шт.

6

423-62-41550

PLATE

SN: H60470-UP

1шт.

7

419-43-17910

SPACER

SN: H60470-UP

2шт.

8

423-62-41330

RUBBER

SN: H60470-UP

1шт.

9

01010-81060

BOLT

SN: H60470-UP

2шт.

10

01643-31032

WASHER

SN: H60470-UP

2шт.

11

426-62-35620

NUT

SN: H60470-UP

2шт.

12

01643-31845

WASHER

SN: H60470-UP

4шт.

13

421-62-46230

HOSE, 1090MM

SN: H60470-UP

1шт.

14

04434-51510

CLIP

SN: H60470-UP

3шт.

15

01010-81025

BOLT

SN: H60470-UP

1шт.

16

01643-31032

WASHER

SN: H60470-UP

1шт.

17

01010-81020

BOLT

SN: H60470-UP

2шт.

18

01643-31032

WASHER

SN: H60470-UP

2шт.

19

421-62-44680

HOSE, 980MM

SN: H60470-UP

1шт.

20

421-62-44720

HOSE, 910MM

SN: H60470-UP

1шт.

21

421-62-33310

PLATE

SN: H60470-UP

1шт.

22

415-64-13120

WASHER

SN: H60470-UP

4шт.

23

415-64-13130

CUSHION

SN: H60470-UP

2шт.

24

419-43-17930

CUSHION

SN: H60470-UP

2шт.

25

421-62-18560

SPACER

SN: H60470-UP

2шт.

26

01010-81050

BOLT

SN: H60470-UP

2шт.

27

01643-31032

WASHER

SN: H60470-UP

2шт.

28

421-60-31800

VALVE ASSEMBLY

SN: H60470-UP

1шт.

29

20Y-60-11713

SOLENOID VALVE

SN: H60470-UP

1шт.

30

20Y-60-11810

BLOCK

SN: H60470-UP

1шт.

31

01010-81230

BOLT

SN: H60470-UP

2шт.

32

01643-31232

WASHER

SN: H60470-UP

2шт.

33

424-62-33340

NIPPLE

SN: H60470-UP

2шт.

34

21N-64-36680

TEE

SN: H60470-UP

1шт.

35

02896-11009

O-RING

SN: H60470-UP

4шт.

36

07002-11423

O-RING

SN: H60470-UP

3шт.

Выбрано товаров: 37