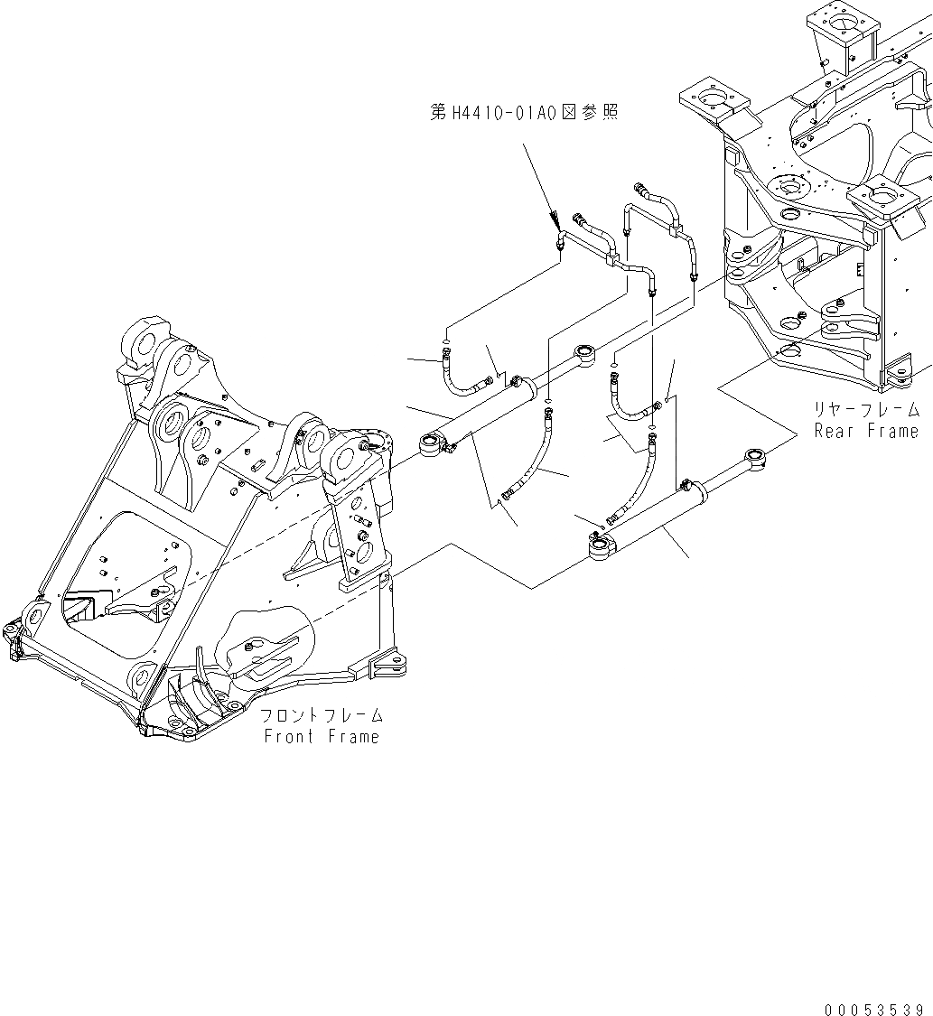
Запчасти Komatsu WA480-6 LC ЦИЛИНДР РУЛЕВ. УПР-Я (ПАТРУБКИ ЦИЛИНДРА РУЛЕВ. УПРАВЛ-Я) J ОСНОВНАЯ РАМА И ЕЕ ЧАСТИ

Схема запчастей Komatsu WA480-6 LC - ЦИЛИНДР РУЛЕВ. УПР-Я (ПАТРУБКИ ЦИЛИНДРА РУЛЕВ. УПРАВЛ-Я) J ОСНОВНАЯ РАМА И ЕЕ ЧАСТИ
2
4
5
5
5
4
3
5
1
\See Fig.H4410-01A0
FIT
1:1
100%

Артикул

Название

Примечание

Количество

1

707-00-XX730

CYLINDER GROUP LHS

SN: H60470-UP

1шт.

2

707-00-XX740

CYLINDER GROUP RHS

SN: H60470-UP

1шт.

3

02756-00505

HOSE

SN: H60470-UP

2шт.

4

02756-00505

HOSE

SN: H60470-UP

2шт.

5

02896-11015

O-RING

SN: H60470-UP

4шт.

\See Fig.H4410-0

See Fig.H4410-01A0

STEERING LINE (STEERING CYLINDER LINE)

-1шт.

Выбрано товаров: 6