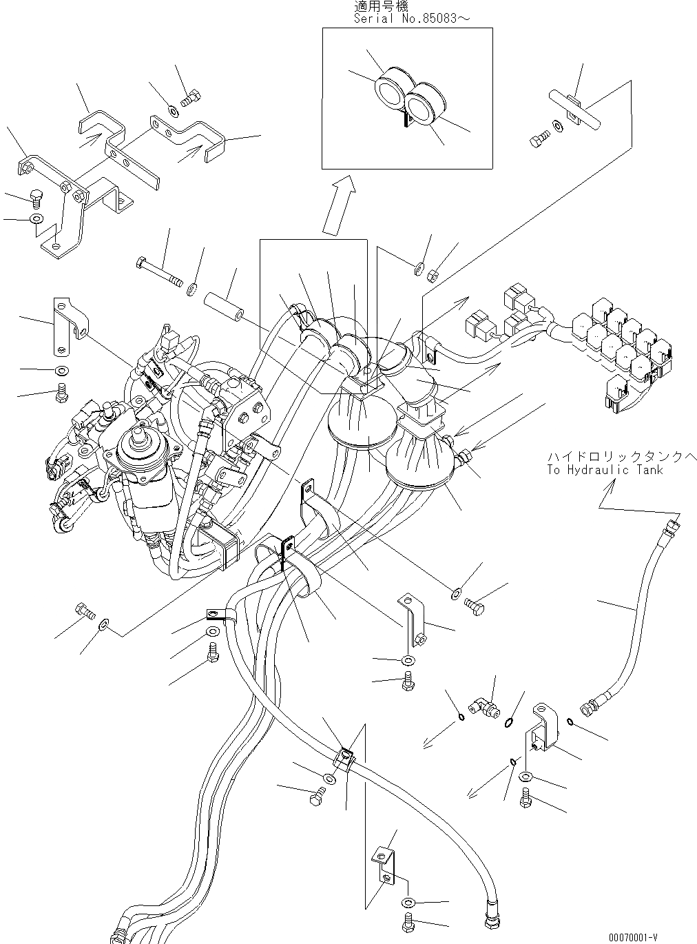
Запчасти Komatsu WA480-6 LC УПРАВЛЕНИЕ ПОГРУЗКОЙ (3-Х СЕКЦИОНН. PPC) (ШЛАНГИ) (/) (ДЛЯ MULTI FUNCTION MONO РЫЧАГ + НАВЕСН. ОБОРУД РЫЧАГ) K OPERATORґS ОБСТАНОВКА И СИСТЕМА УПРАВЛЕНИЯ

Схема запчастей Komatsu WA480-6 LC - УПРАВЛЕНИЕ ПОГРУЗКОЙ (3-Х СЕКЦИОНН. PPC) (ШЛАНГИ) (/) (ДЛЯ MULTI FUNCTION MONO РЫЧАГ + НАВЕСН. ОБОРУД РЫЧАГ) K OPERATORґS ОБСТАНОВКА И СИСТЕМА УПРАВЛЕНИЯ
42
10
9
8
16
13
12
11
5
7
15
20
22
21
24
25
3
1
3
1
4
2
3
1
43
7
6
14
38
37
14
45
45
44
30
32
31
23
23
23
28
29
26
18
19
27
17
19
18
34
35
36
33
34
41
39
40
17
24
25
a
a
b
b
c
c
d
d
FIT
1:1
100%

Артикул

Название

Примечание

Количество

1

20Y-62-15960

CLIP

SN: H60470-UP

1шт.

2

419-09-11150

CLIP

SN: H60470-UP

1шт.

3

423-43-48110

RUBBER

SN: H60470-UP

1шт.

4

418-62-32180

RUBBER

SN: H60470-UP

1шт.

5

01011-81000

BOLT

SN: H60470-UP

1шт.

6

01580-11008

NUT

SN: H60470-UP

1шт.

7

01643-31032

WASHER

SN: H60470-UP

2шт.

8

423-43-48460

BRACKET

SN: H60470-UP

1шт.

9

01010-81025

BOLT

SN: H60470-UP

2шт.

10

01643-31032

WASHER

SN: H60470-UP

2шт.

11

423-43-48340

PLATE

SN: H60470-UP

1шт.

12

01016-51030

BOLT

SN: H60470-UP

2шт.

13

01643-31032

WASHER

SN: H60470-UP

2шт.

14

423-43-48161

CUSHION

SN: H60470-UP

2шт.

15

561-43-43390

SPACER

SN: H60470-UP

1шт.

16

423-877-4860

PLATE

SN: H60470-UP

1шт.

17

361-62-21111

BRACKET

SN: H60470-UP

2шт.

18

01010-81020

BOLT

SN: H60470-UP

2шт.

19

01643-31032

WASHER

SN: H60470-UP

2шт.

20

423-43-48470

BRACKET

SN: H60470-UP

1шт.

21

01010-81020

BOLT

SN: H60470-UP

1шт.

22

01643-31032

WASHER

SN: H60470-UP

1шт.

23

21K-03-11190

CLIP

SN: H60470-UP

3шт.

24

01010-81020

BOLT

SN: H60470-UP

2шт.

25

01643-31032

WASHER

SN: H60470-UP

2шт.

26

04434-52112

CLIP

SN: H60470-UP

1шт.

27

07095-20314

CUSHION

SN: H60470-UP

1шт.

28

01010-81020

BOLT

SN: H60470-UP

1шт.

29

01643-31032

WASHER

SN: H60470-UP

1шт.

30

04434-51510

CLIP

SN: H60470-UP

1шт.

31

01010-81020

BOLT

SN: H60470-UP

1шт.

32

01643-31032

WASHER

SN: H60470-UP

1шт.

33

421-877-4150

TEE

SN: H60470-UP

1шт.

34

02896-11008

O-RING

SN: H60470-UP

2шт.

35

01010-81020

BOLT

SN: H60470-UP

1шт.

36

01643-31032

WASHER

SN: H60470-UP

1шт.

37

423-43-38320

GROMMET

SN: H60470-UP

1шт.

38

423-V91-4290

GROMMET

SN: H60470-UP

1шт.

39

02782-10210

ELBOW

SN: H60470-UP

1шт.

40

02896-11008

O-RING

SN: H60470-UP

1шт.

41

07002-11423

O-RING

SN: H60470-UP

1шт.

42

02760-00204

HOSE

SN: H60470-UP

1шт.

\See Fig.K4202-0

See Fig.K4202-06A9

LOADER CONTROL (3-SPOOL PPC) (HOSE) (1/3) (MFL)

-1шт.

43

421-V91-4150

GUIDE

SN: H60470-UP

1шт.

44

423-06-42740

SHEET

SN: H60470-UP

1шт.

45

08034-20536

BAND

SN: H60470-UP

2шт.

Выбрано товаров: 46