Запчасти Komatsu WA480-6 LC KOMTRAX K OPERATORґS ОБСТАНОВКА И СИСТЕМА УПРАВЛЕНИЯ

Схема запчастей Komatsu WA480-6 LC - KOMTRAX K OPERATORґS ОБСТАНОВКА И СИСТЕМА УПРАВЛЕНИЯ
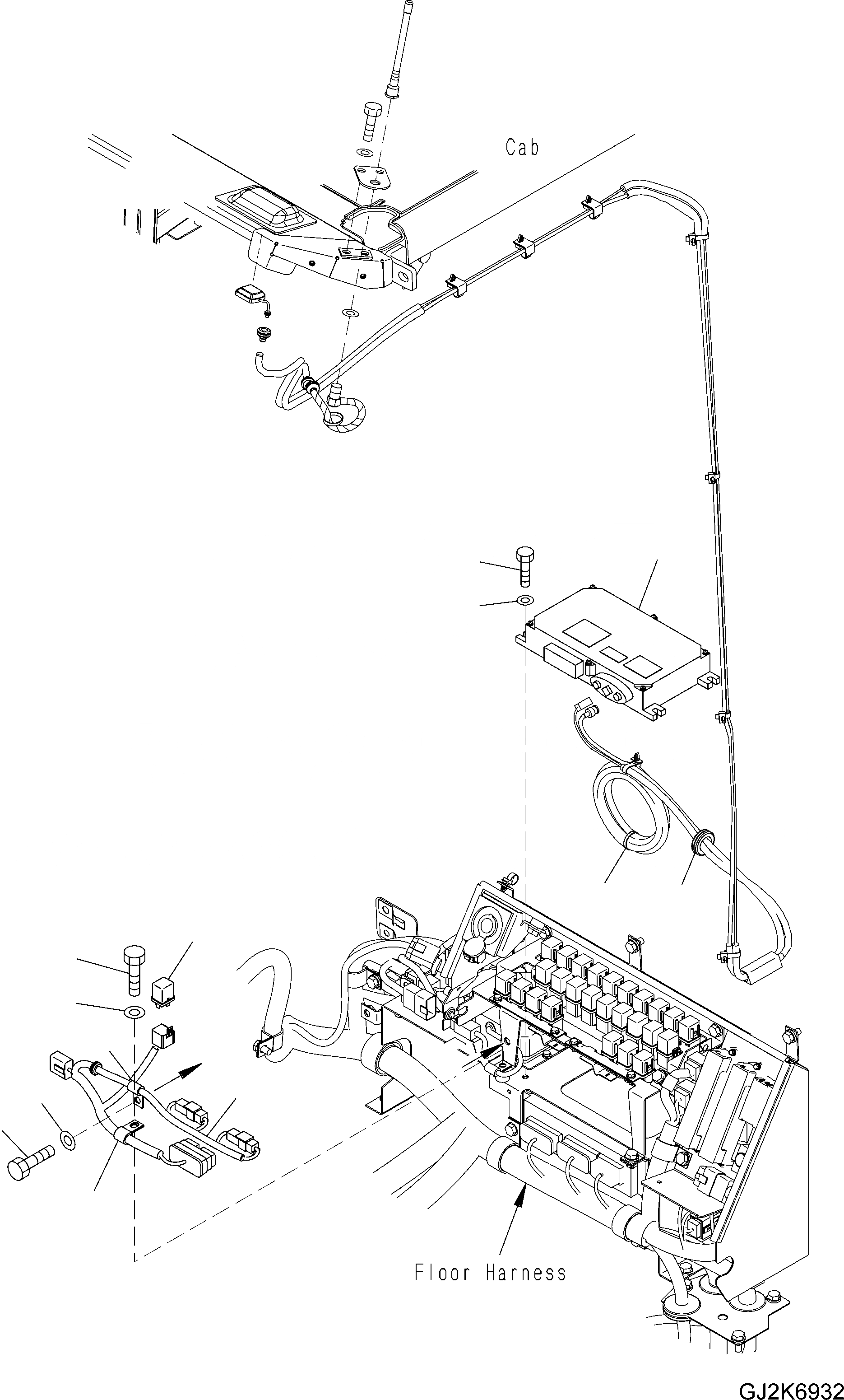
1
2
3
12
13
8
6
7
9
11
10
5
4
a
a
FIT
1:1
100%

Артикул

Название

Примечание

Количество

1

7826-20-7035

CONTROLLER

SN: H60470-UP

1шт.

2

01016-50825

BOLT

SN: H60470-UP

4шт.

3

01643-30823

WASHER

SN: H60470-UP

4шт.

4

423-06-45342

WIRING HARNESS

SN: H60470-UP

1шт.

5

04434-51410

CLIP

SN: H60470-UP

1шт.

6

01010-81020

BOLT

SN: H60470-UP

1шт.

7

01643-31032

WASHER

SN: H60470-UP

1шт.

8

569-06-61960

RELAY

SN: H60470-UP

1шт.

8

287-06-16420

HOLDER

SN: H60470-UP

1шт.

9

04434-51010

CLIP

SN: H60470-UP

1шт.

10

01010-81016

BOLT

SN: H60470-UP

1шт.

11

01643-31032

WASHER

SN: H60470-UP

1шт.

12

08034-20519

BAND

SN: H60470-UP

1шт.

13

08037-02512

GROMMET

SN: H60470-UP

1шт.

Выбрано товаров: 14