Запчасти Komatsu WA480-6 ТРАНСМИССИЯ (ОСНОВН. РАЗГРУЗ. КЛАПАН)(№9-) СИЛОВАЯ ПЕРЕДАЧА

Схема запчастей Komatsu WA480-6 - ТРАНСМИССИЯ (ОСНОВН. РАЗГРУЗ. КЛАПАН)(№9-) СИЛОВАЯ ПЕРЕДАЧА
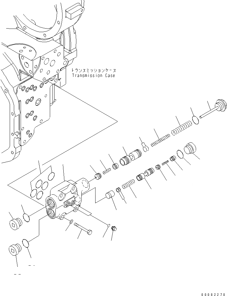
1
2
3
4
5
6
7
8
9
10
11
12
13
14
15
16
17
18
19
20
21
22
22
23
23
24
25
26
FIT
1:1
100%

Артикул

Название

Примечание

Количество

|$2

714-07-40000

TRANSMISSION ASS'Y

SN: 90001-UP

1шт.

|$$2

THIS ASSEMBLY CONSISTS OF ALL PARTS SHOWN IN FIGS.F4350-51A0A TO F4350-65A0A AND F4350-66A0 TO F4350-70A0.

-1шт.

|$4

714-07-40010

TRANSMISSION ASS'Y

SN: 90001-UP

1шт.

|$$4

THIS ASSEMBLY CONSISTS OF ALL PARTS SHOWN IN FIGS.F4350-51A1A TO F4350-65A0A AND F4350-66A0 TO F4350-70A0.

-1шт.

|$6

23C-15-66000

MAIN VALVE ASS'Y

SN: 90001-UP

1шт.

1

0

VALVE BODY

SN: 90001-UP

1шт.

2

708-8E-16150

PLUG

SN: 90001-UP

2шт.

3

07002-61023

O-RING

SN: 90001-UP

2шт.

4

14X-15-15850

PLUG

SN: 90001-UP

1шт.

5

07002-63034

O-RING (K2)

SN: 90001-UP

1шт.

6

714-24-26230

VALVE

SN: 90001-UP

1шт.

7

426-15-15490

VALVE

SN: 90001-UP

1шт.

8

562-15-16110

SPRING

SN: 90001-UP

1шт.

9

426-15-15480

VALVE

SN: 90001-UP

1шт.

10

56B-15-16660

SHIM, 0.50MM

SN: 90001-UP

7шт.

11

56B-15-16250

SPRING

SN: 90001-UP

1шт.

12

426-15-16261

SPRING, (L=108.0)

SN: 90001-UP

1шт.

13

426-15-15810

PLUG

SN: 90001-UP

1шт.

14

07002-63034

O-RING (K2)

SN: 90001-UP

1шт.

15

12H-15-14130

SPOOL

SN: 90001-UP

1шт.

16

104-15-25490

VALVE

SN: 90001-UP

1шт.

17

125-15-15290

SPRING

SN: 90001-UP

1шт.

18

104-15-25480

VALVE

SN: 90001-UP

1шт.

19

14X-15-16210

SPRING

SN: 90001-UP

1шт.

20

175-15-56470

SHIM, 0.50MM

SN: 90001-UP

2шт.

21

12H-15-14140

GUIDE

SN: 90001-UP

1шт.

22

14X-15-15850

PLUG

SN: 90001-UP

2шт.

23

07002-63034

O-RING (K2)

SN: 90001-UP

2шт.

24

07000-73030

O-RING (K2)

SN: 90001-UP

5шт.

25

01010-81065

BOLT

SN: 90001-UP

4шт.

26

01643-31032

WASHER

SN: 90001-UP

4шт.

Выбрано товаров: 31