Запчасти Komatsu WA480-6 ТРАНСМИССИЯ НАВЕСН. ОБОРУД(№9-) СИЛОВАЯ ПЕРЕДАЧА

Схема запчастей Komatsu WA480-6 - ТРАНСМИССИЯ НАВЕСН. ОБОРУД(№9-) СИЛОВАЯ ПЕРЕДАЧА
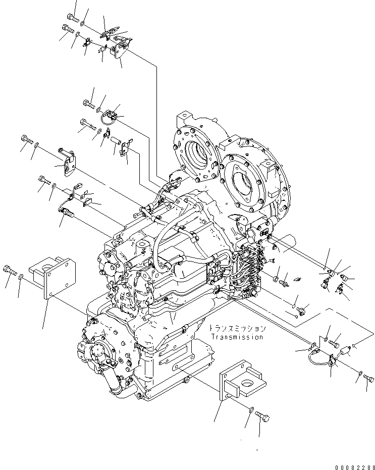
1
2
3
3
4
4
5
5
6
7
8
9
10
11
11
11
12
12
12
12
12
13
13
13
13
13
14
15
16
16
17
18
19
20
21
22
22
23
23
24
25
26
27
28
28
29
29
30
30
30
30
31
32
33
FIT
1:1
100%

Артикул

Название

Примечание

Количество

1

421-01-41180

BRACKET,L.H.

SN: 90001-UP

1шт.

2

421-01-41190

BRACKET,R.H.

SN: 90001-UP

1шт.

3

01010-61650

BOLT

SN: 90001-UP

8шт.

4

01643-31645

WASHER

SN: 90001-UP

8шт.

5

7861-93-3320

SENSOR

SN: 90001-UP

2шт.

6

7861-93-2330

SENSOR

SN: 90001-UP

1шт.

7

14Y-22-55510

SENSOR

SN: 90001-UP

1шт.

8

714-07-47340

SPACER

SN: 90001-UP

1шт.

9

418-43-37681

SWITCH

SN: 90001-UP

1шт.

10

07002-61423

O-RING (K1)

SN: 90001-UP

1шт.

11

08193-21012

CLIP

SN: 90001-UP

5шт.

12

01010-81020

BOLT

SN: 90001-UP

11шт.

13

01643-31032

WASHER

SN: 90001-UP

11шт.

14

04434-51610

CLIP

SN: 90001-UP

1шт.

15

07095-20211

CUSHION

SN: 90001-UP

1шт.

16

600-051-2060

CLIP

SN: 90001-UP

3шт.

17

600-051-2160

CLIP

SN: 90001-UP

1шт.

18

600-051-2190

CLIP

SN: 90001-UP

3шт.

19

426-06-11570

BRACKET

SN: 90001-UP

1шт.

20

421-62-45360

BRACKET

SN: 90001-UP

1шт.

21

421-62-45510

BRACKET

SN: 90001-UP

1шт.

22

01010-81025

BOLT

SN: 90001-UP

4шт.

23

01643-31032

WASHER

SN: 90001-UP

4шт.

24

421-06-42470

BRACKET

SN: 90001-UP

1шт.

25

6150-81-6940

SPACER

SN: 90001-UP

1шт.

26

01010-81075

BOLT

SN: 90001-UP

1шт.

27

01643-31032

WASHER

SN: 90001-UP

1шт.

28

799-101-5220

NIPPLE

SN: 90001-UP

2шт.

29

17M-61-42710

ELBOW

SN: 90001-UP

2шт.

30

07002-61023

O-RING (K1)

SN: 90001-UP

4шт.

31

02782-1021A

ELBOW

SN: 90001-UP

1шт.

32

07002-61423

O-RING (K1)

SN: 90001-UP

1шт.

33

02896-61008

O-RING (K1)

SN: 90001-UP

1шт.

Выбрано товаров: 33