Запчасти Komatsu WA480-6 ГИДР. НАСОС. (ЛИНИЯ ТРАНСМИССИИ)(№8-9) ГИДРАВЛИКА

Схема запчастей Komatsu WA480-6 - ГИДР. НАСОС. (ЛИНИЯ ТРАНСМИССИИ)(№8-9) ГИДРАВЛИКА
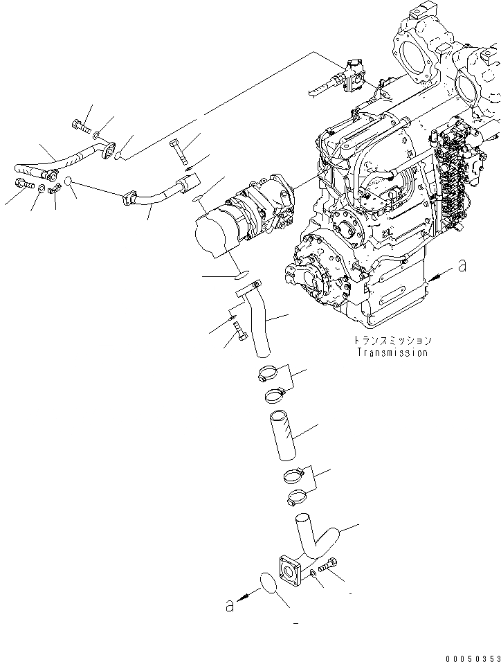
1
2
3
4
5
6
6
7
8
9
10
11
12
13
14
15
16
16
17
18
19
20
21
FIT
1:1
100%

Артикул

Название

Примечание

Количество

1

421-62-44120

TUBE

SN: 85001-90000

1шт.

2

07000-A2100

O-RING

SN: 85001-@

1шт.

3

01010-81245

BOLT

SN: 85001-@

4шт.

4

01643-31232

WASHER

SN: 85001-@

4шт.

5

421-62-44190

HOSE

SN: 85001-90000

1шт.

6

07289-00080

CLAMP

SN: 85001-@

4шт.

7

421-62-44130

TUBE

SN: 85001-90000

1шт.

8

07000-A2075

O-RING

SN: 85001-90000

1шт.

9

01643-31232

WASHER

SN: 85001-@

4шт.

10

07372-21250

BOLT

SN: 85001-@

4шт.

11

421-62-43730

TUBE

SN: 85001-90000

1шт.

12

07000-A3045

O-RING

SN: 85001-90000

1шт.

13

01010-81280

BOLT

SN: 85001-90000

4шт.

14

01643-31232

WASHER

SN: 85001-90000

4шт.

15

421-62-43740

HOSE

SN: 85001-90000

1шт.

16

07000-A3032

O-RING

SN: 85001-@

2шт.

17

07371-31049

FLANGE

SN: 85001-@

2шт.

18

01643-31032

WASHER

SN: 85001-90000

4шт.

19

07372-21040

BOLT

SN: 85001-90000

4шт.

20

01010-81035

BOLT

SN: 85001-90000

2шт.

21

01643-31032

WASHER

SN: 85001-90000

2шт.

Выбрано товаров: 21