Запчасти Komatsu WA480-6 УПРАВЛ-Е ТОРМОЗОМ (АККУМУЛЯТОР И ЭЛЕМЕНТЫ КРЕПЛЕНИЯ)(№9-) КАБИНА ОПЕРАТОРА И СИСТЕМА УПРАВЛЕНИЯ

Схема запчастей Komatsu WA480-6 - УПРАВЛ-Е ТОРМОЗОМ (АККУМУЛЯТОР И ЭЛЕМЕНТЫ КРЕПЛЕНИЯ)(№9-) КАБИНА ОПЕРАТОРА И СИСТЕМА УПРАВЛЕНИЯ
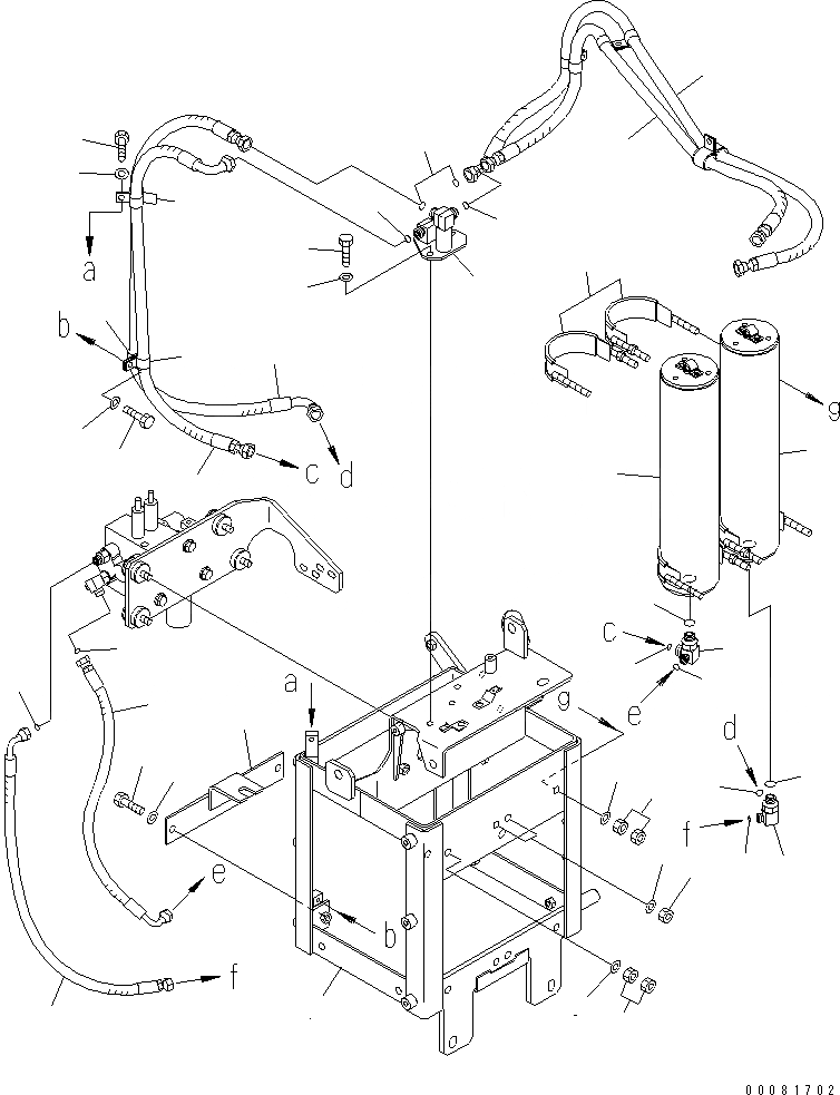
1
2
3
4
5
5
6
7
7
7
8
8
8
9
10
11
11
12
12
13
13
14
14
15
16
17
18
19
19
19
20
20
21
21
22
23
24
25
25
25
26
27
FIT
1:1
100%

Артикул

Название

Примечание

Количество

1

421-43-47860

BRACKET

SN: 90001-UP

1шт.

2

421-43-47680

BRACKET

SN: 90001-UP

1шт.

3

01010-81230

BOLT

SN: 90001-UP

2шт.

4

01643-31232

WASHER

SN: 90001-UP

2шт.

5

721-32-08190

ACCUMULATOR ASS'Y,(SEE FIG. Y1629-01A0)

SN: 85001-UP

2шт.

6

421-43-22360

BAND

SN: 85001-UP

4шт.

7

421-40-12440

NUT

SN: 85001-UP

12шт.

8

01643-31232

WASHER

SN: 85001-UP

8шт.

9

421-43-47810

HOSE, 635MM

SN: 90001-UP

1шт.

10

02896-11009

O-RING

SN: 90001-UP

1шт.

11

423-43-31350

ELBOW

SN: 85001-UP

2шт.

12

07002-12034

O-RING

SN: 85001-UP

2шт.

13

02896-11009

O-RING

SN: 90001-UP

2шт.

14

02896-11012

O-RING

SN: 90001-UP

2шт.

15

421-43-47770

HOSE, 785MM

SN: 90001-UP

1шт.

16

02896-11009

O-RING

SN: 90001-UP

1шт.

17

421-43-47730

HOSE, 1010MM

SN: 90001-UP

1шт.

18

421-43-47710

HOSE, 1200MM

SN: 90001-UP

1шт.

19

04434-52110

CLIP

SN: 90001-UP

4шт.

20

01010-81025

BOLT

SN: 90001-UP

2шт.

21

01643-31032

WASHER

SN: 90001-UP

2шт.

22

421-43-48340

BLOCK

SN: 90001-UP

1шт.

23

01010-81025

BOLT

SN: 90001-UP

2шт.

24

01643-31032

WASHER

SN: 90001-UP

2шт.

25

02896-11012

O-RING

SN: 90001-UP

4шт.

26

421-43-47740

HOSE, 1540MM

SN: 90001-UP

1шт.

27

421-43-47720

HOSE, 1320MM

SN: 90001-UP

1шт.

Выбрано товаров: 0