Запчасти Komatsu WA480-6 ТРАНСМИССИЯ (ОСНОВН. КЛАПАН ПРАВ.) (/)(С БЛОКИР.-UP)(№9-) СИЛОВАЯ ПЕРЕДАЧА

Схема запчастей Komatsu WA480-6 - ТРАНСМИССИЯ (ОСНОВН. КЛАПАН ПРАВ.) (/)(С БЛОКИР.-UP)(№9-) СИЛОВАЯ ПЕРЕДАЧА
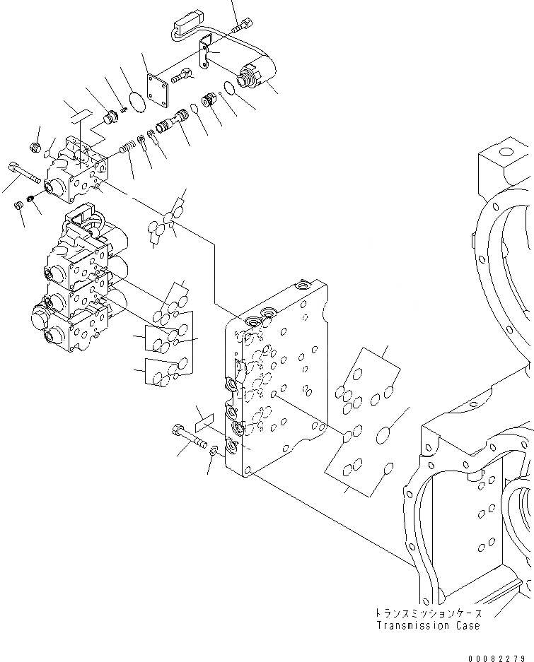
1
2
3
4
5
6
7
8
9
10
11
12
13
14
15
16
16
17
18
19
20
21
22
23
23
23
23
23
24
24
25
26
26
27
28
29
FIT
1:1
100%

Артикул

Название

Примечание

Количество

|$1

714-07-40010

TRANSMISSION ASS'Y

SN: 90001-UP

1шт.

|$$2

THIS ASSEMBLY CONSISTS OF ALL PARTS SHOWN IN FIGS.F4350-51A1A TO F4350-65A0A AND F4350-66A0 TO F4350-70A0.

-1шт.

1

01252-70650

BOLT

SN: 90001-UP

16шт.

|$4

714-07-45600

ECMV ASS'Y

SN: 90001-UP

1шт.

2

0

BODY

SN: 90001-UP

1шт.

3

0

SOLENOID

SN: 90001-UP

1шт.

4

0

VALVE

SN: 90001-UP

1шт.

5

0

BALL

SN: 90001-UP

1шт.

6

0

O-RING

SN: 90001-UP

1шт.

7

0

O-RING

SN: 90001-UP

1шт.

8

0

SPOOL

SN: 90001-UP

1шт.

9

0

SPRING

SN: 90001-UP

1шт.

10

0

SHIM, 0.5MM

SN: 90001-UP

3шт.

11

0

SHIM, 0.2MM

SN: 90001-UP

3шт.

12

0

PLUG

SN: 90001-UP

1шт.

13

0

PLATE

SN: 90001-UP

1шт.

14

0

SPRING SEAT

SN: 90001-UP

1шт.

15

0

SLEEVE

SN: 90001-UP

1шт.

16

01252-60510

BOLT

SN: 90001-UP

4шт.

17

0

BRACKET

SN: 90001-UP

1шт.

18

0

O-RING

SN: 90001-UP

1шт.

19

0

PLUG

SN: 90001-UP

1шт.

20

0

PLATE,(LIMITED SUPPLY)

SN: 90001-UP

1шт.

21

708-8E-16150

PLUG

SN: 90001-UP

1шт.

22

0

O-RING (K2)

SN: 90001-UP

1шт.

23

07000-72015

O-RING (K2)

SN: 90001-UP

16шт.

24

07000-71007

O-RING (K2)

SN: 90001-UP

4шт.

25

0

PLATE, NAME,(LIMITED SUPPLY)

SN: 90001-UP

1шт.

26

07000-72015

O-RING (K2)

SN: 90001-UP

12шт.

27

07000-73022

O-RING (K2)

SN: 90001-UP

1шт.

28

01010-81055

BOLT

SN: 90001-UP

6шт.

29

01643-31032

WASHER

SN: 90001-UP

6шт.

Выбрано товаров: 32