Запчасти Komatsu WA480-6 ТРАНСМИССИЯ (ОНОСЯЩИЕСЯ К НЕЙ ЧАСТИ)(/)(№9-) СИЛОВАЯ ПЕРЕДАЧА

Схема запчастей Komatsu WA480-6 - ТРАНСМИССИЯ (ОНОСЯЩИЕСЯ К НЕЙ ЧАСТИ)(/)(№9-) СИЛОВАЯ ПЕРЕДАЧА
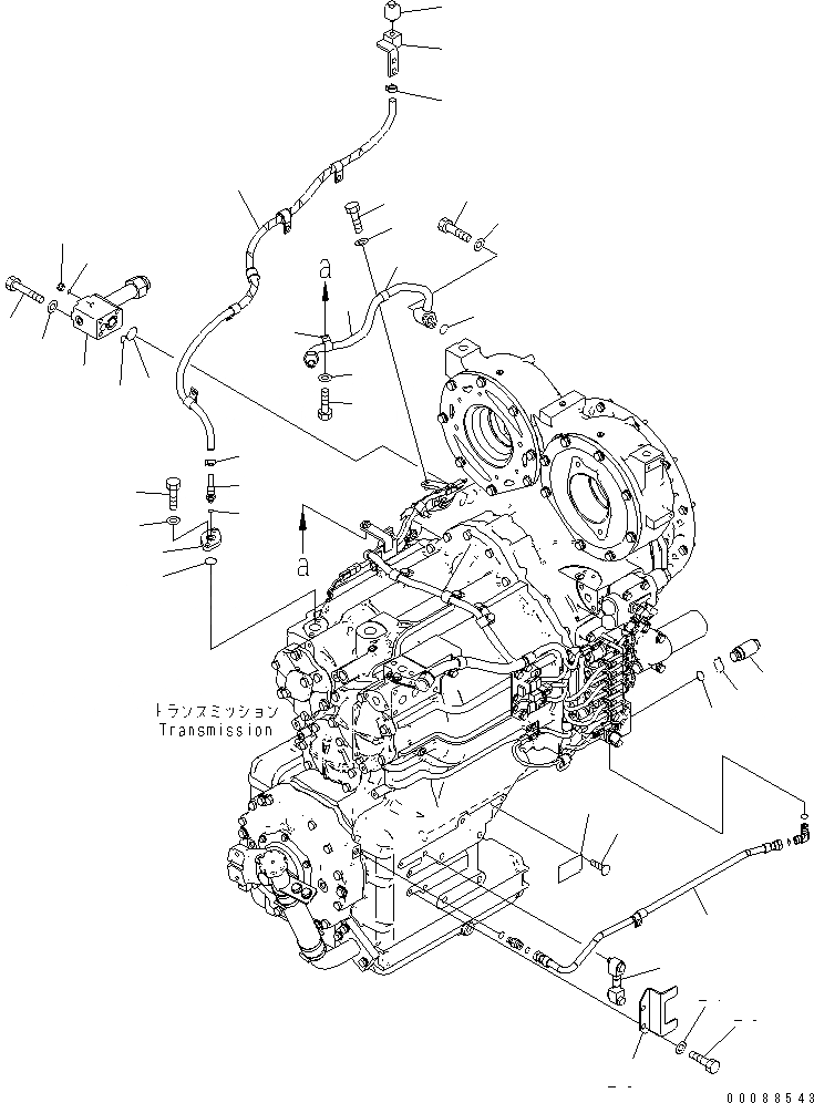
1
2
3
4
5
6
6
7
7
8
8
9
10
11
12
13
14
15
16
17
17
18
19
20
21
22
23
24
25
26
27
28
29
30
31
32
33
34
FIT
1:1
100%

Артикул

Название

Примечание

Количество

|$2

714-07-40000

TRANSMISSION ASS'Y

SN: 90001-UP

1шт.

|$$2

THIS ASSEMBLY CONSISTS OF ALL PARTS SHOWN IN FIGS.F4350-51A0A TO F4350-65A0A AND F4350-66A0 TO F4350-70A0.

-1шт.

|$4

714-07-40010

TRANSMISSION ASS'Y,(WITH LOCK-UP)

SN: 90001-UP

1шт.

|$$4

THIS ASSEMBLY CONSISTS OF ALL PARTS SHOWN IN FIGS.F4350-51A1A TO F4350-65A0A AND F4350-66A0 TO F4350-70A0.

-1шт.

1

714-07-48540

TUBE

SN: 90001-UP

1шт.

2

421-62-45450

TUBE

SN: 90061-UP

1шт.

3

07000-73025

O-RING (K1)

SN: 90061-UP

1шт.

4

01010-81055

BOLT

SN: 90061-UP

2шт.

5

01643-31032

WASHER

SN: 90061-UP

2шт.

6

04434-52110

CLIP

SN: 90061-UP

2шт.

7

01010-81025

BOLT

SN: 90061-UP

2шт.

8

01643-31032

WASHER

SN: 90061-UP

2шт.

9

714-07-48411

FLANGE

SN: 90001-UP

1шт.

10

07000-73035

O-RING (K1)

SN: 90001-UP

1шт.

11

01010-81030

BOLT

SN: 90001-UP

2шт.

12

01643-31032

WASHER

SN: 90001-UP

2шт.

13

714-07-38130

ELBOW

SN: 90001-UP

1шт.

14

07002-61023

O-RING (K1)

SN: 90001-UP

1шт.

15

421-16-41210

BLOCK

SN: 90001-UP

1шт.

16

421-16-45110

HOSE

SN: 90001-UP

1шт.

17

11Y-09-11140

CLIP

SN: 90001-UP

2шт.

18

07030-00252

BREATHER

SN: 90001-UP

1шт.

19

419-15-18241

PLUG

SN: 90001-UP

1шт.

20

07002-62434

O-RING (K1)

SN: 90001-UP

1шт.

21

419-15-18251

RING

SN: 90001-UP

1шт.

22

09608-05080

PLATE, NAME

SN: 90001-UP

1шт.

23

04418-13060

SCREW

SN: 90001-UP

4шт.

24

23S-15-18180

GAUGE ASS'Y

SN: 90001-UP

1шт.

25

714-12-38550

COVER

SN: 90001-UP

1шт.

26

01010-81020

BOLT

SN: 90001-UP

2шт.

27

01643-31032

WASHER

SN: 90001-UP

2шт.

28

714-07-48550

TUBE

SN: 90001-UP

1шт.

29

01011-81000

BOLT

SN: 90001-UP

3шт.

30

01643-31032

WASHER

SN: 90001-UP

3шт.

31

07000-73030

O-RING (K1)

SN: 90001-UP

1шт.

32

07000-72015

O-RING (K1)

SN: 90001-UP

1шт.

33

708-8E-16150

PLUG

SN: 90001-UP

1шт.

34

07002-61023

O-RING (K1)

SN: 90001-UP

1шт.

Выбрано товаров: 38