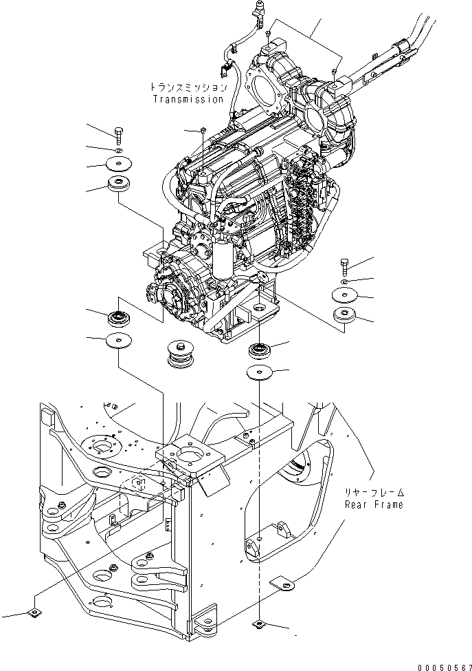
Запчасти Komatsu WA480-6 ГИДРОТРАНСФОРМАТОР И ТРАНСМИССИЯ КРЕПЛЕНИЕ(№8-879) СИЛОВАЯ ПЕРЕДАЧА

Схема запчастей Komatsu WA480-6 - ГИДРОТРАНСФОРМАТОР И ТРАНСМИССИЯ КРЕПЛЕНИЕ(№8-879) СИЛОВАЯ ПЕРЕДАЧА
1
1
1
1
2
2
3
3
4
4
5
5
6
6
7
7
FIT
1:1
100%

Артикул

Название

Примечание

Количество

1

421-01-41140

CUSHION

SN: 85001-@

4шт.

2

01643-32060

WASHER

SN: 85001-@

2шт.

3

424-01-11220

WASHER

SN: 85001-@

2шт.

4

01011-62030

BOLT

SN: 85001-@

2шт.

5

424-01-11220

WASHER

SN: 85001-@

2шт.

6

421-01-41550

BRACKET

SN: 85001-@

2шт.

7

07049-02430

PLUG

SN: 85001-85379

3шт.

Выбрано товаров: 7