Запчасти Komatsu WA480-6 БЛОКИР. ШАНГА И КРЫШКА(ПЕРЕДН. COVER)(№8-) ОСНОВНАЯ РАМА И ЕЕ ЧАСТИ

Схема запчастей Komatsu WA480-6 - БЛОКИР. ШАНГА И КРЫШКА(ПЕРЕДН. COVER)(№8-) ОСНОВНАЯ РАМА И ЕЕ ЧАСТИ
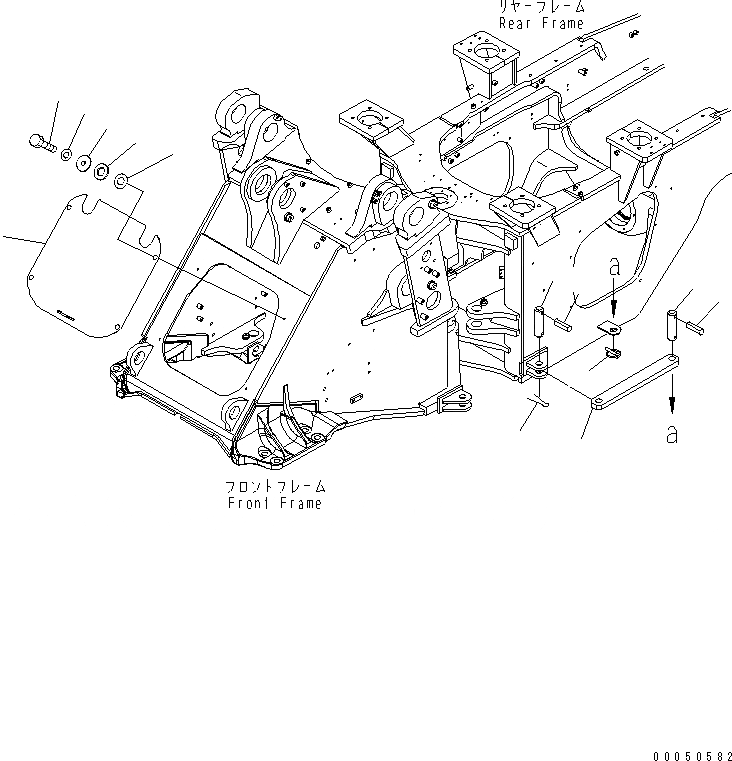
1
2
2
3
3
4
5
6
7
8
9
10
11
FIT
1:1
100%

Артикул

Название

Примечание

Количество

1

421-46-12920

BAR,LOCK

SN: 85001-UP

1шт.

2

421-46-12721

PIN

SN: 85001-UP

2шт.

3

04025-01065

PIN,SPRING

SN: 85001-UP

1шт.

4

04050-10060

PIN,COTTER

SN: 85001-UP

1шт.

5

421-46-12740

PIN

SN: 85001-UP

1шт.

6

421-46-44110

COVER,FRONT

SN: 85001-UP

1шт.

7

01010-D1235

BOLT

SN: 85001-UP

4шт.

8

01643-71232

WASHER

SN: 85001-UP

4шт.

9

01640-22232

WASHER

SN: 85001-UP

4шт.

10

415-46-11380

CUSHION

SN: 85001-UP

4шт.

11

421-46-34420

COLLAR

SN: 85001-UP

4шт.

Выбрано товаров: 0