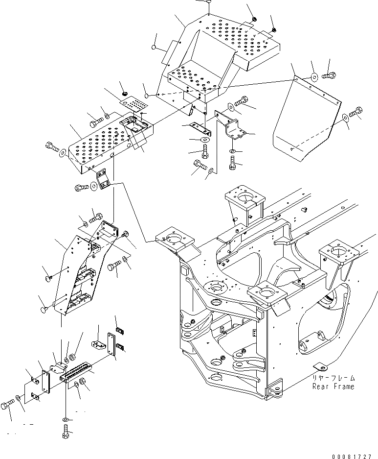
Запчасти Komatsu WA480-6 ЛЕСТНИЦА (ПОЛ ПРАВ.)(№8-9) ЧАСТИ КОРПУСА

Схема запчастей Komatsu WA480-6 - ЛЕСТНИЦА (ПОЛ ПРАВ.)(№8-9) ЧАСТИ КОРПУСА
1
1
2
3
4
5
5
6
7
8
9
10
11
11
12
12
13
14
15
16
17
17
17
18
19
19
20
20
21
22
22
23
23
24
24
25
26
27
28
29
29
30
30
30
30
31
32
33
33
34
34
35
36
FIT
1:1
100%

Артикул

Название

Примечание

Количество

1

421-54-44582

FLOOR,R.H.

SN: 85027-@

1шт.

1

421-54-44581

FLOOR,R.H.

SN: 85001-85026

1шт.

1

423-54-44390

HINGE

SN: 85001-@

2шт.

2

421-54-44451

FLOOR,R.H.

SN: 85001-@

1шт.

3

01010-81230

BOLT

SN: 85001-@

4шт.

4

01643-31232

WASHER

SN: 85001-@

4шт.

5

421-54-22990

PLUG

SN: 85001-@

4шт.

6

423-54-41330

BRACKET,R.H.

SN: 85001-@

1шт.

7

01010-D1235

BOLT

SN: 85001-@

4шт.

8

01643-71232

WASHER

SN: 85001-@

4шт.

9

01010-D1230

BOLT

SN: 85001-@

2шт.

10

01643-71232

WASHER

SN: 85001-@

2шт.

11

01010-D1230

BOLT

SN: 85001-@

4шт.

12

421-03-31590

WASHER

SN: 85001-@

4шт.

13

423-54-44140

BRACKET

SN: 85001-@

1шт.

14

09415-00506

CAP

SN: 85001-@

1шт.

15

08037-02512

GROMMET

SN: 85001-@

1шт.

16

418-54-22190

CUSHION

SN: 85001-@

3шт.

17

426-56-21990

PLUG

SN: 85001-@

4шт.

18

421-54-44150

SHEET,R.H.

SN: 85001-@

1шт.

19

01010-D1025

BOLT

SN: 85001-90000

5шт.

20

421-54-34550

WASHER

SN: 85001-@

5шт.

21

423-54-44850

LADDER

SN: 85001-@

1шт.

22

01010-D1235

BOLT

SN: 85001-@

4шт.

23

01643-71232

WASHER

SN: 85001-@

4шт.

24

22L-46-12150

CAP

SN: 85001-@

4шт.

25

416-54-34230

PLUG

SN: 85001-@

2шт.

26

421-54-34611

STEP

SN: 85001-@

1шт.

27

424-54-44861

PLATE

SN: 85001-@

1шт.

28

424-54-44951

PLATE

SN: 85001-@

1шт.

29

421-54-44390

RUBBER

SN: 85001-@

2шт.

30

428-T86-1650

PLATE

SN: 85001-@

4шт.

31

01010-D1045

BOLT

SN: 85001-@

8шт.

32

01643-71032

WASHER

SN: 85001-@

8шт.

33

01596-01009

NUT

SN: 85001-@

8шт.

34

01643-71032

WASHER

SN: 85001-@

8шт.

35

01010-D1025

BOLT

SN: 85001-@

4шт.

36

01643-71032

WASHER

SN: 85001-@

4шт.

Выбрано товаров: 38