Запчасти Komatsu WA480-6 ПРОТИВОВЕС (С ДОПОЛН. ВЕС) (ДЛЯ КРОМЕ ЯПОН.)(№9-) ЧАСТИ КОРПУСА

Схема запчастей Komatsu WA480-6 - ПРОТИВОВЕС (С ДОПОЛН. ВЕС) (ДЛЯ КРОМЕ ЯПОН.)(№9-) ЧАСТИ КОРПУСА
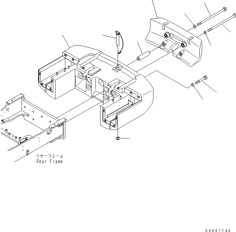
1
2
3
4
5
5
6
7
8
9
10
FIT
1:1
100%

Артикул

Название

Примечание

Количество

1

421-46-45240

COUNTERWEIGHT

SN: 90001-UP

1шт.

2

01643-33080

WASHER

SN: 85001-UP

2шт.

3

207-46-53140

BOLT

SN: 85001-UP

2шт.

4

421-975-4230

BOLT

SN: 85001-UP

2шт.

5

01643-33080

WASHER

SN: 85001-UP

4шт.

6

421-975-4170

SPACER

SN: 85001-UP

2шт.

7

421-975-4240

BOLT

SN: 85001-UP

2шт.

8

423-46-45121

PIN

SN: 85001-UP

1шт.

8

09245-04875

CHAIN

SN: 85001-UP

1шт.

8

09245-50060

HOOK

SN: 85001-UP

3шт.

9

426-46-12280

PIN

SN: 85001-UP

1шт.

10

421-975-4151

COUNTERWEIGHT

SN: 90114-UP

1шт.

10

421-975-4150

COUNTERWEIGHT

SN: 85001-90113

1шт.

Выбрано товаров: 0